LEMON Manuals: Even more car manuals for everyone: 1960-2025
Home >> Scion >> 2006 >> xA Automatic >> Repair and Diagnosis >> Electrical >> Body Electrical >> OEM System Circuits >> Air Conditioning >> Notes
April 5, 2026: LEMON Manuals is launched! Read the announcement.

Air Conditioning: Notes

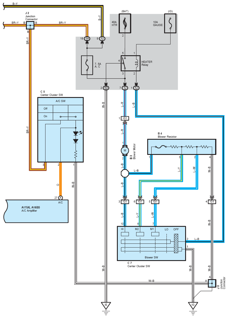
Fig 1: Air Conditioning System Wiring Diagram (1 Of 2)
G08758711Courtesy of © TOYOTA, LICENSE AGREEMENT TMS1002
Fig 2: Air Conditioning System Wiring Diagram (2 Of 2)
G08758712Courtesy of © TOYOTA, LICENSE AGREEMENT TMS1002