LEMON Manuals: Even more car manuals for everyone: 1960-2025
Home >> Scion >> 2006 >> xA Automatic >> Repair and Diagnosis >> Electrical >> Body Electrical >> OEM System Circuits >> Sliding Roof >> Notes
April 5, 2026: LEMON Manuals is launched! Read the announcement.

Sliding Roof: Notes

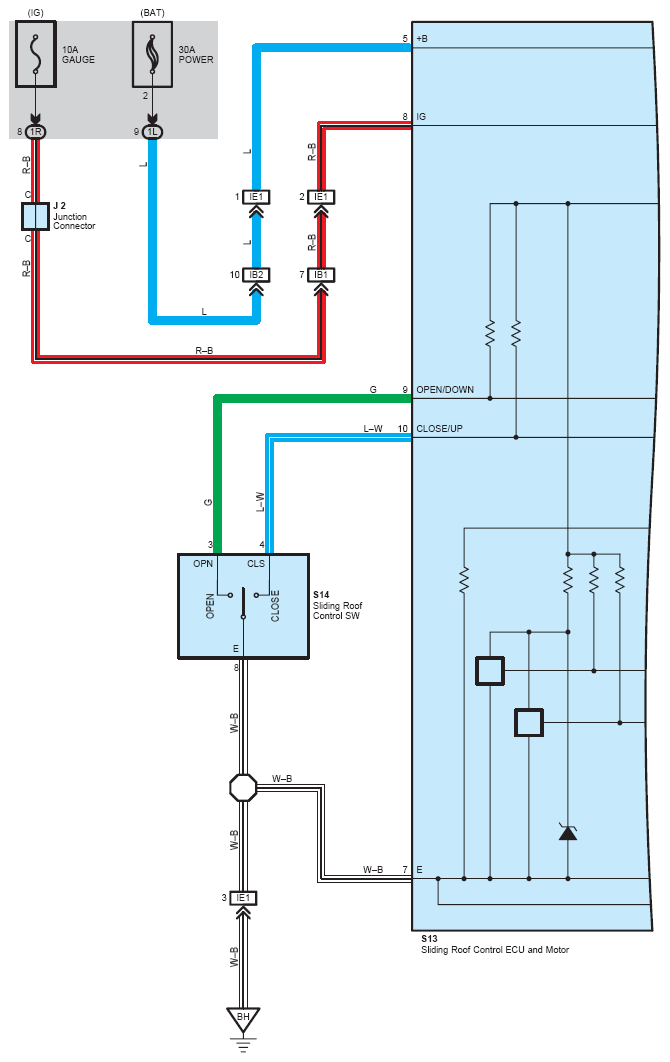
Fig 1: Sliding Roof System Wiring Diagram (1 Of 2)
G08758690Courtesy of © TOYOTA, LICENSE AGREEMENT TMS1002
Fig 2: Sliding Roof System Wiring Diagram (2 Of 2)
G08758691Courtesy of © TOYOTA, LICENSE AGREEMENT TMS1002