LEMON Manuals: Even more car manuals for everyone: 1960-2025
Home >> Scion >> 2006 >> xB Automatic >> Repair and Diagnosis >> Electrical >> Body Electrical >> OEM System Circuits >> Headlight >> Notes
April 5, 2026: LEMON Manuals is launched! Read the announcement.

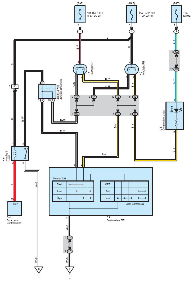
OEM System Circuits: Headlight: Notes

Fig 1: Headlight System Wiring Diagram
G08759002Courtesy of © TOYOTA, LICENSE AGREEMENT TMS1002