LEMON Manuals: Even more car manuals for everyone: 1960-2025
Home >> Scion >> 2008 >> tC Base, Standard >> Repair and Diagnosis >> Electrical >> Body Electrical >> OEM System Circuits >> Abs >> Notes
April 5, 2026: LEMON Manuals is launched! Read the announcement.

OEM System Circuits: Abs: Notes

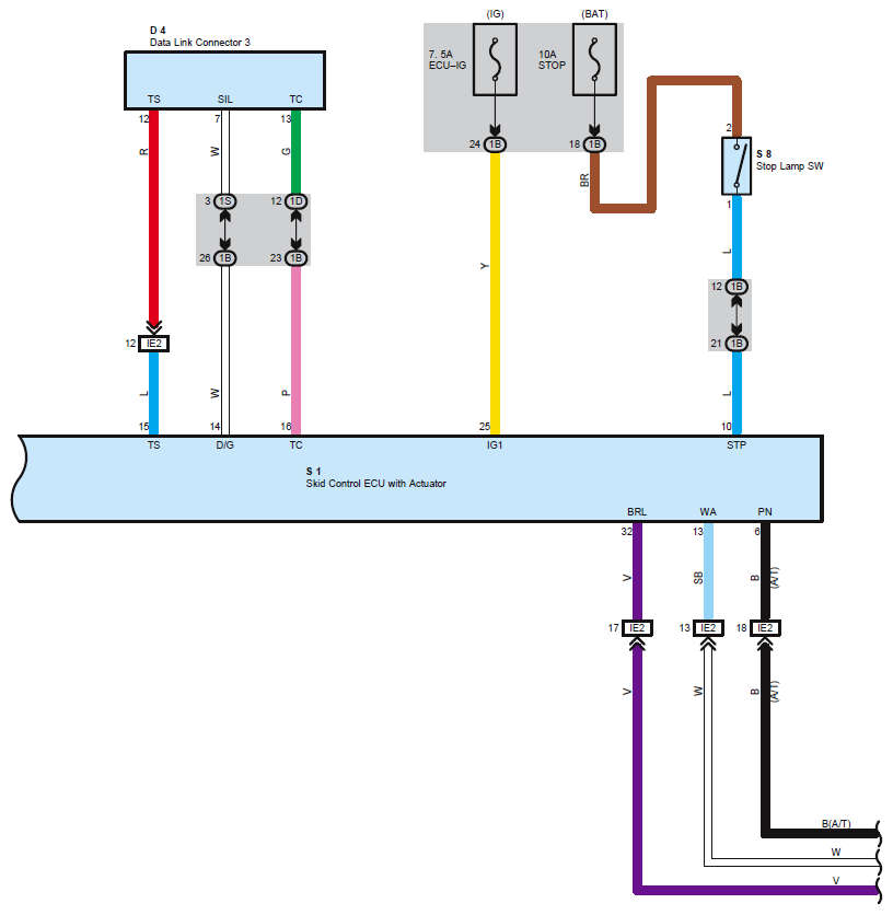
Fig 1: ABS - Circuit Diagram (1 Of 4)
G07603201Courtesy of © TOYOTA, LICENSE AGREEMENT TMS1002
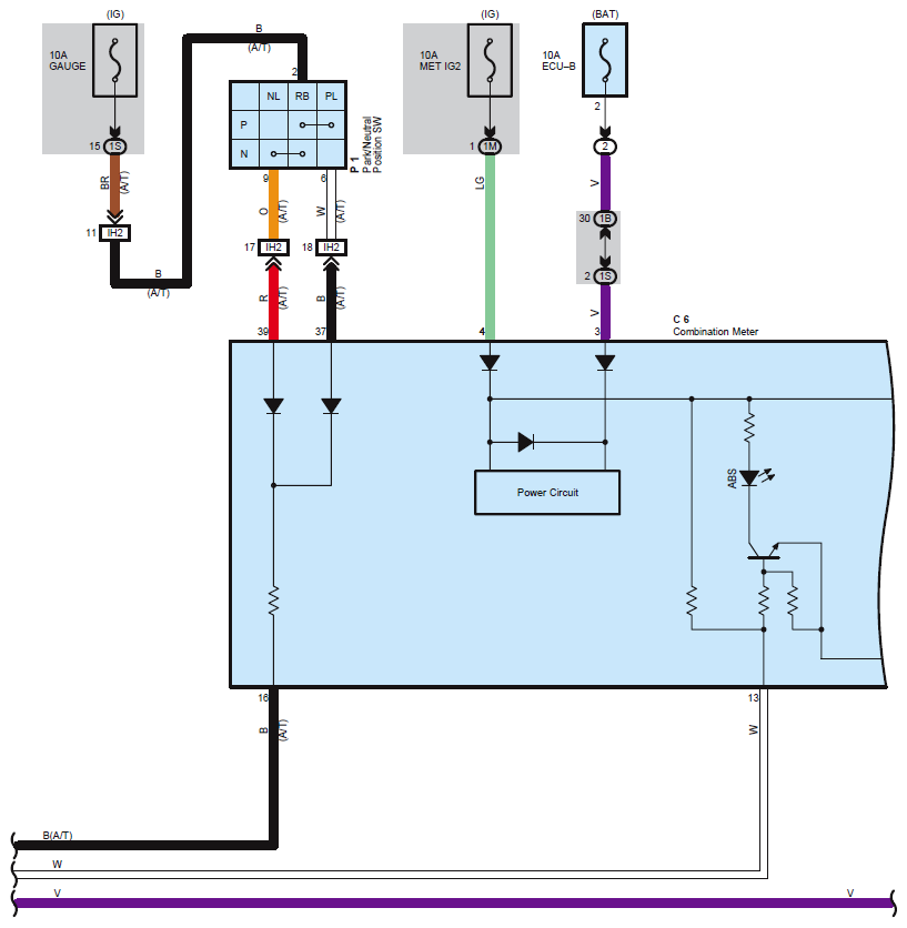
Fig 2: ABS - Circuit Diagram (2 Of 4)
G07603202Courtesy of © TOYOTA, LICENSE AGREEMENT TMS1002
Fig 3: ABS - Circuit Diagram (3 Of 4)
G07603203Courtesy of © TOYOTA, LICENSE AGREEMENT TMS1002
Fig 4: ABS - Circuit Diagram (4 Of 4)
G07603204Courtesy of © TOYOTA, LICENSE AGREEMENT TMS1002