LEMON Manuals: Even more car manuals for everyone: 1960-2025
Home >> Scion >> 2008 >> xB Automatic >> Repair and Diagnosis >> Electrical >> Body Electrical >> OEM System Circuits >> Starting >> Notes
April 5, 2026: LEMON Manuals is launched! Read the announcement.

OEM System Circuits: Starting: Notes

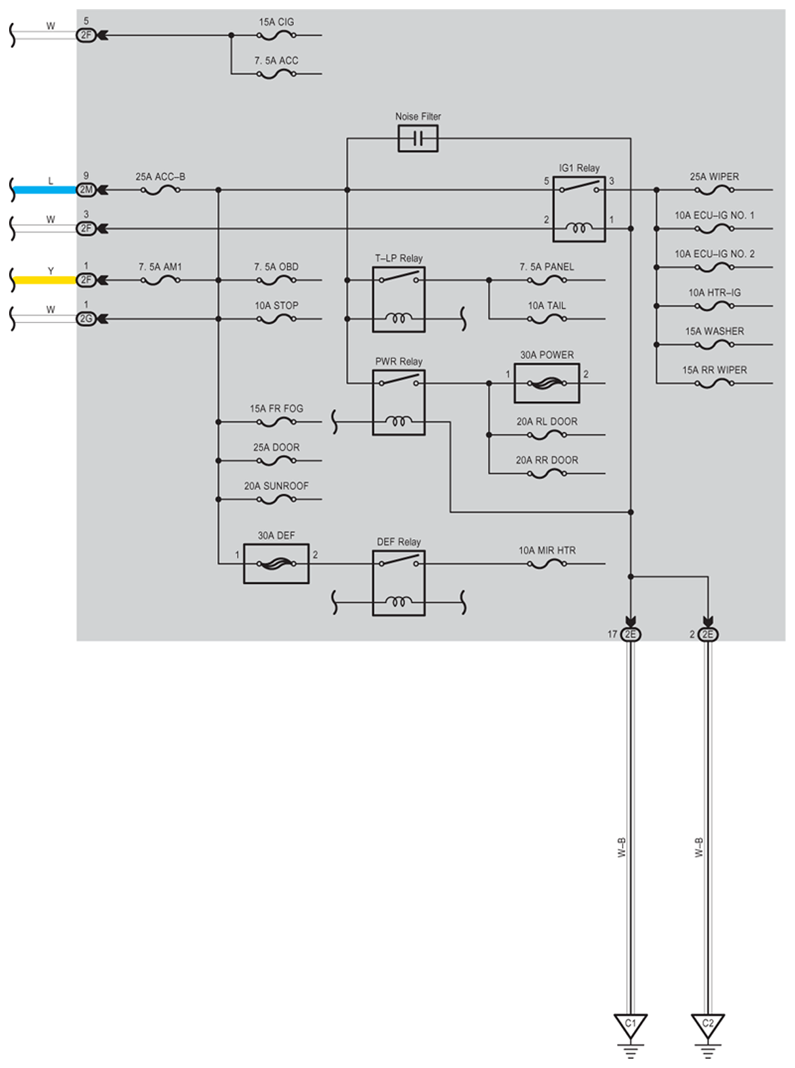
Fig 1: Starting - Circuit Diagram
G07617988Courtesy of © TOYOTA, LICENSE AGREEMENT TMS1002