LEMON Manuals: Even more car manuals for everyone: 1960-2025
Home >> Scion >> 2008 >> xD Standard >> Repair and Diagnosis >> Electrical >> Body Electrical >> OEM System Circuits >> Charging >> Notes
April 5, 2026: LEMON Manuals is launched! Read the announcement.

OEM System Circuits: Charging: Notes

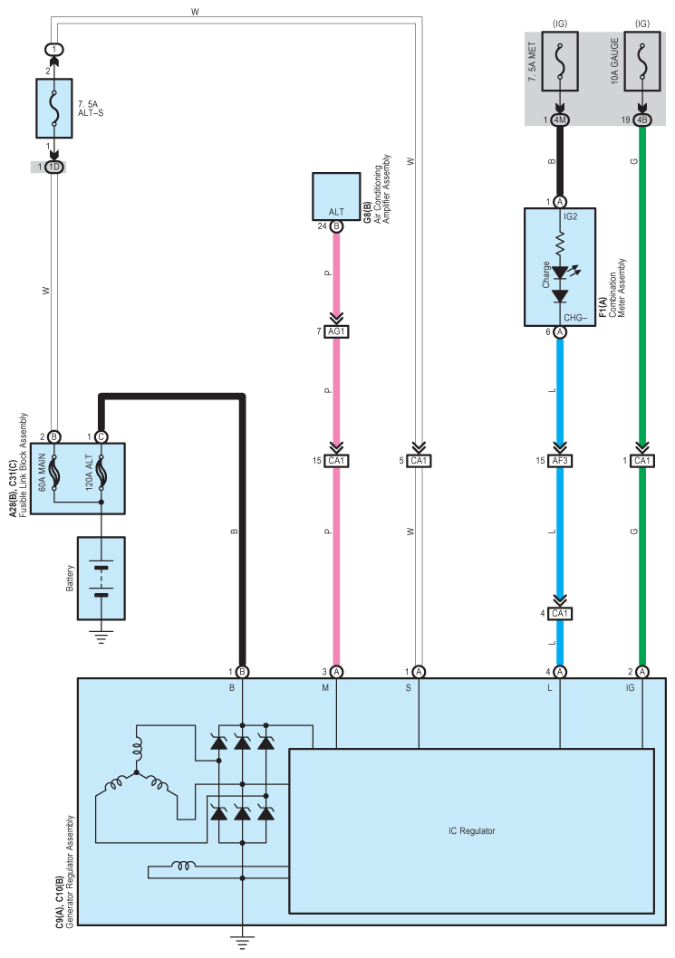
Fig 1: Charging - Circuit Diagram
G07597289Courtesy of © TOYOTA, LICENSE AGREEMENT TMS1002