LEMON Manuals: Even more car manuals for everyone: 1960-2025
Home >> Scion >> 2008 >> xD Standard >> Repair and Diagnosis >> Electrical >> Body Electrical >> OEM System Circuits >> Rear Window Defogger >> Notes
April 5, 2026: LEMON Manuals is launched! Read the announcement.

Rear Window Defogger: Notes

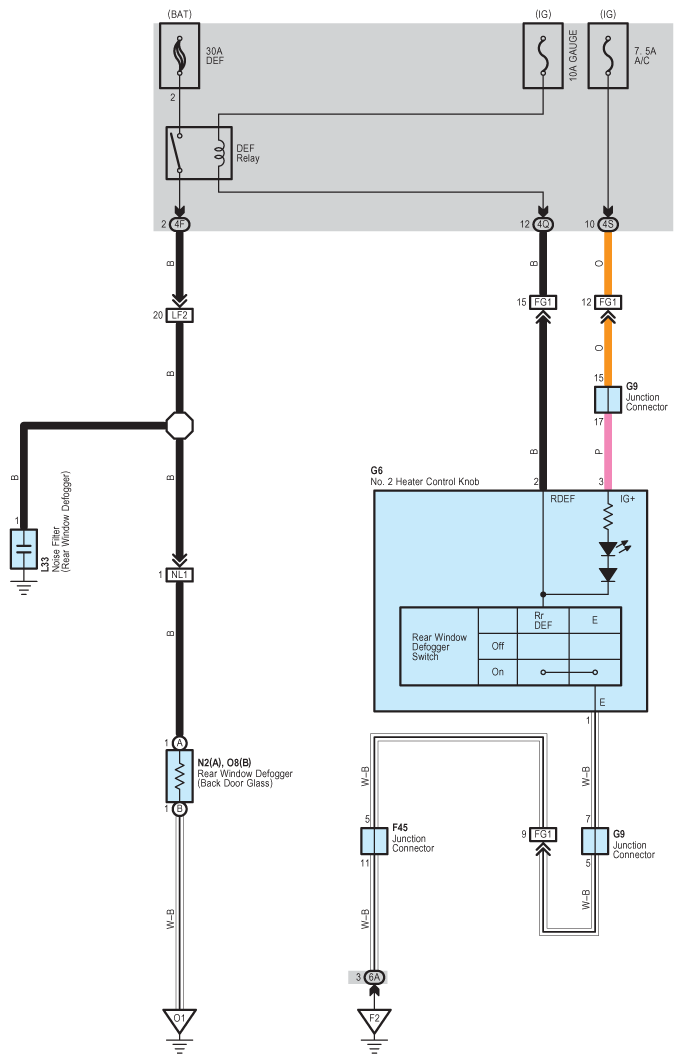
Fig 1: Rear Window Defogger - Circuit Diagram
G07597380Courtesy of © TOYOTA, LICENSE AGREEMENT TMS1002