LEMON Manuals: Even more car manuals for everyone: 1960-2025
Home >> Scion >> 2009 >> tC Automatic >> Repair and Diagnosis >> Body & Frame >> Windows >> Windshield/WINDOWGLASS >> Window Defogger System >> Inspection
April 5, 2026: LEMON Manuals is launched! Read the announcement.

Window Defogger System: Inspection

  1. INSPECT BACK DOOR GLASS (DEFOGGER WIRE) 
    NOTE:
    • When cleaning the glass, wipe the glass along the wire using a soft, dry cloth. Take care not to damage the defogger wires.
    • Do not use detergents or glass cleaners that have abrasive ingredients.
    • When measuring voltage, wrap a piece of tin foil around the tip of the negative (-) tester probe and press the foil against the wire with your finger, as shown in the illustration.
      Fig 1: Pressing Foil With Finger
      G05541827Courtesy of © TOYOTA, LICENSE AGREEMENT TMS1002
    1. Turn the ignition switch ON.
    2. Turn the defogger switch ON.
    3. Measure the voltage at the center of each defogger wire as shown in the illustration.

      Standard voltage 

      VOLTAGE SPECIFICATION

      Voltage Criteria
      Approx. 5 V Wire is not broken
      Approx. 10 or 0 V Wire is broken
      Fig 2: Identifying Voltage At Center Of Each Defogger Wire
      G05541828Courtesy of © TOYOTA, LICENSE AGREEMENT TMS1002

      HINT:

      If there is approximately 10 V, the wire may be faulty between the center of the wire and the wire end on the battery side. If there is no voltage, the wire may be faulty between the center of the wire end and the wire end on the ground side.

    4. Place the voltmeter's positive (+) lead against the defogger wire on the battery side.
    5. Place the voltmeter's negative (-) lead with the foil strip against the wire on the ground side.
      Fig 3: Identifying Voltage Of Defogger Wire
      G05541829Courtesy of © TOYOTA, LICENSE AGREEMENT TMS1002
    6. Slide the positive (+) lead from the battery side to the ground side.
    7. The point where the voltage drops from approximately 10 V to 0 V is where the defogger wire is broken.

      HINT:

      If the defogger wire is not broken, the voltmeter indicates 0 V at the positive (+) end of the defogger wire and gradually increases to approximately 12 V as the meter probe moves to the other end.

    8. If necessary, repair the defogger wire.
      1. Clean the broken wire tips with grease, wax and silicone remover.
      2. Place masking tape along both sides of the wire.
      3. Thoroughly mix the repair agent.

        Dupont paste: 

        No. 4817 or equivalent 

        Fig 4: Identifying Masking Tape Along Both Sides Of Wire
        G04952253Courtesy of © TOYOTA, LICENSE AGREEMENT TMS1002
      4. Using a fine tip brush, apply a small amount of the agent to the wire.
      5. After a few minutes, remove the masking tape.
        NOTE: Do not repair the defogger wire again for at least 24 hours.
        Fig 5: Identifying Small Amount Of Agent To Wire
        G04952254Courtesy of © TOYOTA, LICENSE AGREEMENT TMS1002
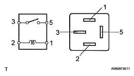
  2. INSPECT IG1 RELAY (Marking: IG1) 
    1. Remove the IG1 relay from the instrument panel junction block.
    2. Measure the resistance of the relay.

      Standard resistance 

      RESISTANCE SPECIFICATION

      Tester Condition Specified Condition
      3 - 5 10 kΩ or higher
      3 - 5 Below 1 Ω (when battery voltage is applied to terminals 1 and 2)
      Fig 6: Identifying IG1 Relay Terminals
      G05541832Courtesy of © TOYOTA, LICENSE AGREEMENT TMS1002

      If the result is not as specified, replace the relay.

  3. INSPECT INSTRUMENT PANEL JUNCTION BLOCK ASSEMBLY (DEF RELAY) 
    1. Measure the voltage of the connector.

      Standard 

      VOLTAGE SPECIFICATION

      Tester Connection Defogger Switch Condition Specified Condition
      1F-2 - Body ground OFF 0 V
      ON 10 to 14 V

      If the result is not as specified, replace the instrument panel junction block assembly.

      Fig 7: Identifying Instrument Panel Junction Block Connector Terminals
      G05541833Courtesy of © TOYOTA, LICENSE AGREEMENT TMS1002