LEMON Manuals: Even more car manuals for everyone: 1960-2025
Home >> Scion >> 2009 >> tC Standard >> Repair and Diagnosis >> Electrical >> Body Electrical >> OEM System Circuits >> Combination Meter >> Notes
April 5, 2026: LEMON Manuals is launched! Read the announcement.

Combination Meter: Notes

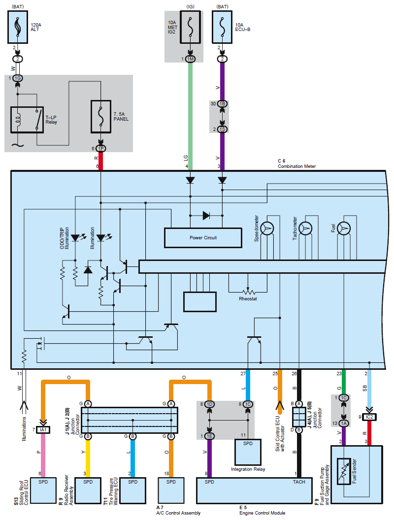
Fig 1: Combination Meter - Circuit Diagram (1 Of 4)
G07604587Courtesy of © TOYOTA, LICENSE AGREEMENT TMS1002
Fig 2: Combination Meter - Circuit Diagram (2 Of 4)
G07604588Courtesy of © TOYOTA, LICENSE AGREEMENT TMS1002
Fig 3: Combination Meter - Circuit Diagram (3 Of 4)
G07604589Courtesy of © TOYOTA, LICENSE AGREEMENT TMS1002
Fig 4: Combination Meter - Circuit Diagram (4 Of 4)
G07604590Courtesy of © TOYOTA, LICENSE AGREEMENT TMS1002