LEMON Manuals: Even more car manuals for everyone: 1960-2025
Home >> Scion >> 2009 >> tC Standard >> Repair and Diagnosis >> Electrical >> Body Electrical >> OEM System Circuits >> Cruise Control >> Notes
April 5, 2026: LEMON Manuals is launched! Read the announcement.

Cruise Control: Notes

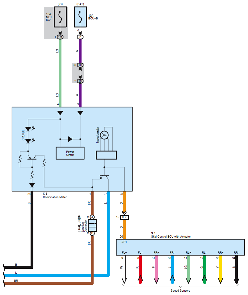
Fig 1: Cruise Control - Circuit Diagram (1 Of 3)
G07604562Courtesy of © TOYOTA, LICENSE AGREEMENT TMS1002
Fig 2: Cruise Control - Circuit Diagram (2 Of 3)
G07604563Courtesy of © TOYOTA, LICENSE AGREEMENT TMS1002
Fig 3: Cruise Control - Circuit Diagram (3 Of 3)
G07604564Courtesy of © TOYOTA, LICENSE AGREEMENT TMS1002