LEMON Manuals: Even more car manuals for everyone: 1960-2025
Home >> Scion >> 2009 >> xB Automatic >> Repair and Diagnosis >> Electrical >> Body Electrical >> OEM System Circuits >> Engine Control >> Notes
April 5, 2026: LEMON Manuals is launched! Read the announcement.

Engine Control: Notes

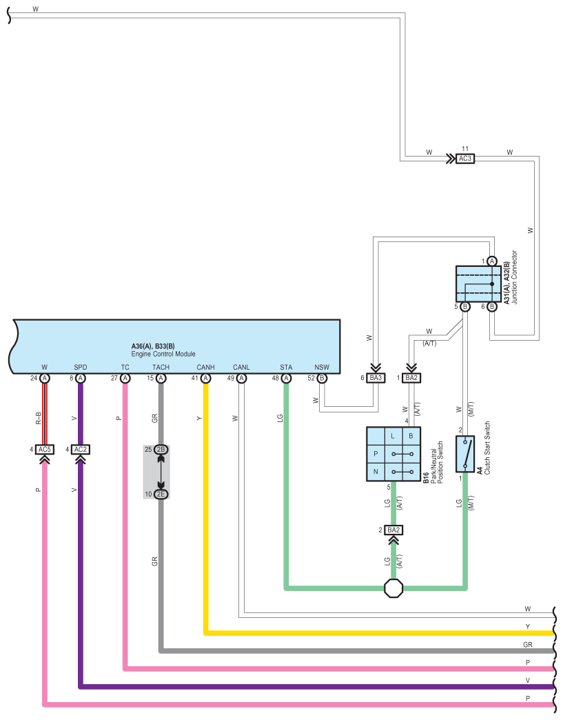
Fig 1: Engine Control - Circuit Diagram (1 Of 9)
G07601109Courtesy of © TOYOTA, LICENSE AGREEMENT TMS1002
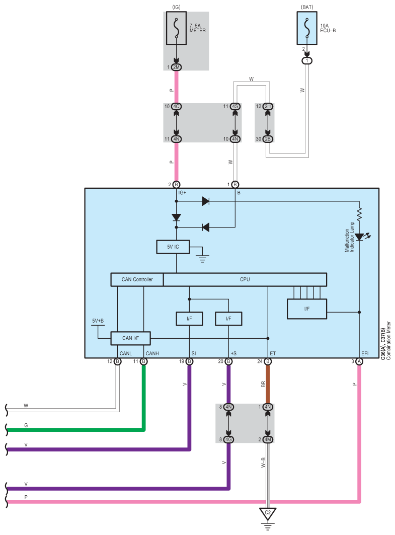
Fig 2: Engine Control - Circuit Diagram (2 Of 9)
G07601110Courtesy of © TOYOTA, LICENSE AGREEMENT TMS1002
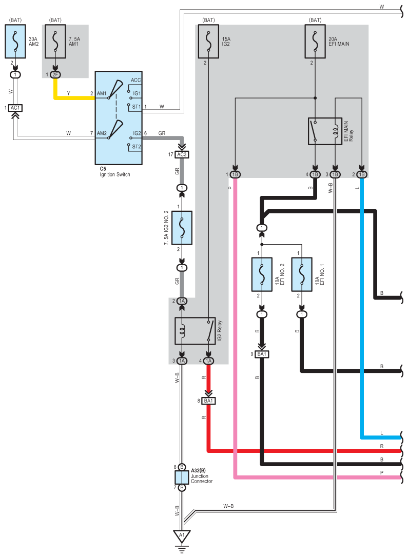
Fig 3: Engine Control - Circuit Diagram (3 Of 9)
G07601111Courtesy of © TOYOTA, LICENSE AGREEMENT TMS1002
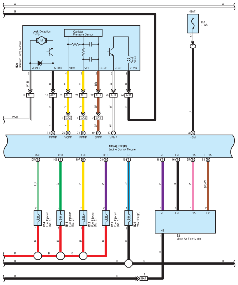
Fig 4: Engine Control - Circuit Diagram (4 Of 9)
G07601112Courtesy of © TOYOTA, LICENSE AGREEMENT TMS1002
Fig 5: Engine Control - Circuit Diagram (5 Of 9)
G07601113Courtesy of © TOYOTA, LICENSE AGREEMENT TMS1002
Fig 6: Engine Control - Circuit Diagram (6 Of 9)
G07601114Courtesy of © TOYOTA, LICENSE AGREEMENT TMS1002
Fig 7: Engine Control - Circuit Diagram (7 Of 9)
G07601115Courtesy of © TOYOTA, LICENSE AGREEMENT TMS1002
Fig 8: Engine Control - Circuit Diagram (8 Of 9)
G07601116Courtesy of © TOYOTA, LICENSE AGREEMENT TMS1002
Fig 9: Engine Control - Circuit Diagram (9 Of 9)
G07601117Courtesy of © TOYOTA, LICENSE AGREEMENT TMS1002