LEMON Manuals: Even more car manuals for everyone: 1960-2025
Home >> Scion >> 2009 >> xD Automatic >> Repair and Diagnosis >> Electrical >> Body Electrical >> OEM System Circuits >> Back Door Opener >> Notes
April 5, 2026: LEMON Manuals is launched! Read the announcement.

Back Door Opener: Notes

Fig 1: Back Door Opener - Circuit Diagram (1 Of 4)
G07618410Courtesy of © TOYOTA, LICENSE AGREEMENT TMS1002
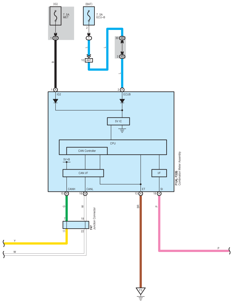
Fig 2: Back Door Opener - Circuit Diagram (2 Of 4)
G07618411Courtesy of © TOYOTA, LICENSE AGREEMENT TMS1002
Fig 3: Back Door Opener - Circuit Diagram (3 Of 4)
G07618412Courtesy of © TOYOTA, LICENSE AGREEMENT TMS1002
Fig 4: Back Door Opener - Circuit Diagram (4 Of 4)
G07618413Courtesy of © TOYOTA, LICENSE AGREEMENT TMS1002