LEMON Manuals: Even more car manuals for everyone: 1960-2025
Home >> Scion >> 2009 >> xD Automatic >> Repair and Diagnosis >> Electrical >> Body Electrical >> OEM System Circuits >> Key Reminder and Light Reminder >> Notes
April 5, 2026: LEMON Manuals is launched! Read the announcement.

Key Reminder and Light Reminder: Notes

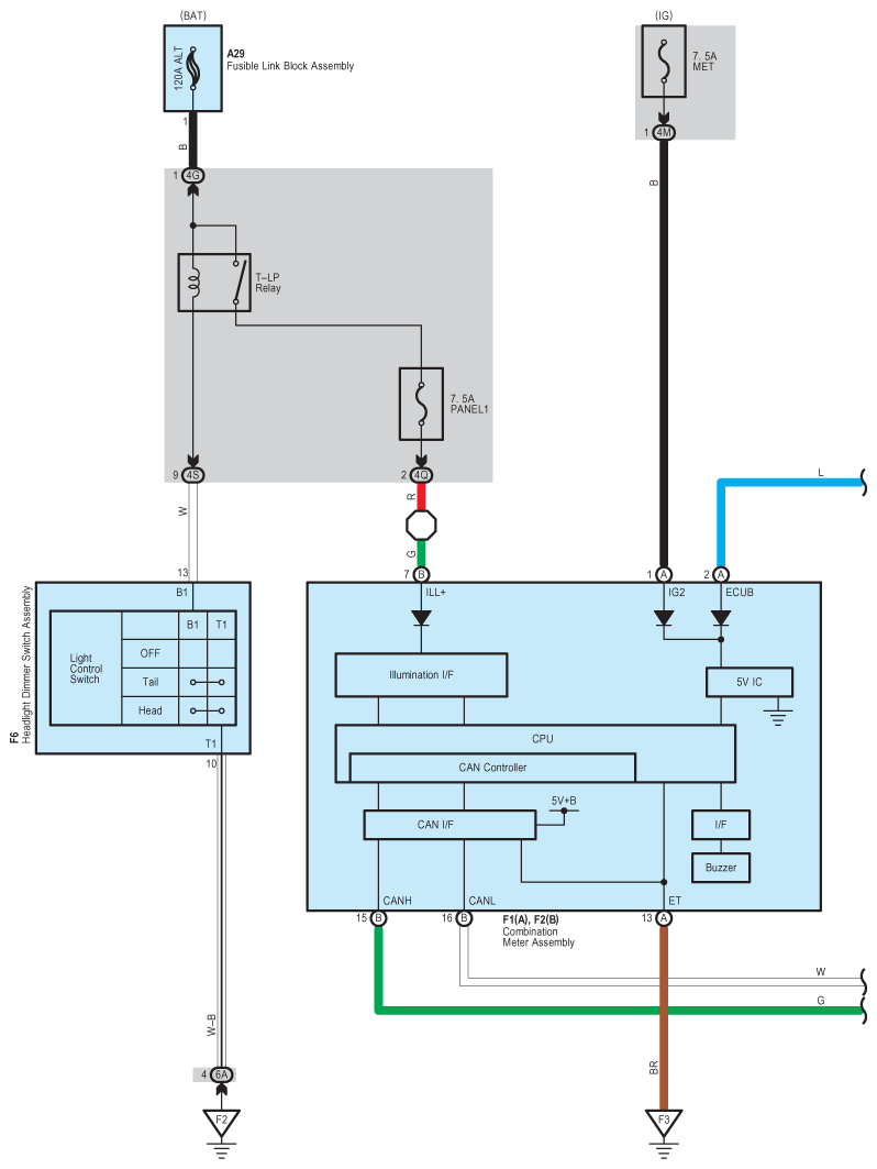
Fig 1: Key Reminder And Light Reminder - Circuit Diagram (1 Of 2)
G07618373Courtesy of © TOYOTA, LICENSE AGREEMENT TMS1002
Fig 2: Key Reminder And Light Reminder - Circuit Diagram (2 Of 2)
G07619006Courtesy of © TOYOTA, LICENSE AGREEMENT TMS1002