LEMON Manuals: Even more car manuals for everyone: 1960-2025
Home >> Scion >> 2009 >> xD Standard >> Repair and Diagnosis >> Electrical >> Body Electrical >> OEM System Circuits >> Interior Light >> Notes
April 5, 2026: LEMON Manuals is launched! Read the announcement.

Interior Light: Notes

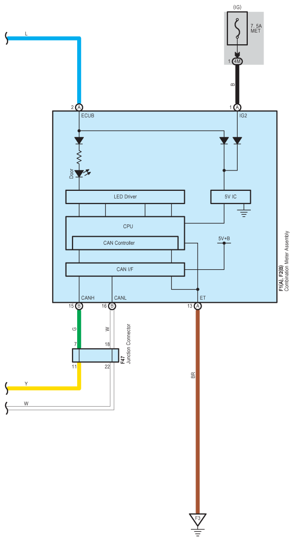
Fig 1: Interior Light - Circuit Diagram (1 Of 3)
G07618362Courtesy of © TOYOTA, LICENSE AGREEMENT TMS1002
Fig 2: Interior Light - Circuit Diagram (2 Of 3)
G07618363Courtesy of © TOYOTA, LICENSE AGREEMENT TMS1002
Fig 3: Interior Light - Circuit Diagram (3 Of 3)
G07618364Courtesy of © TOYOTA, LICENSE AGREEMENT TMS1002