LEMON Manuals: Even more car manuals for everyone: 1960-2025
Home >> Scion >> 2010 >> tC Automatic >> Repair and Diagnosis >> Body & Frame >> Windows >> Power Window Control (Diagnostics) >> Power Window Control System >> Front Passenger Side Power Window does not Operate with Front Passenger Side Power Window Switch >> Wiring Diagram
April 5, 2026: LEMON Manuals is launched! Read the announcement.

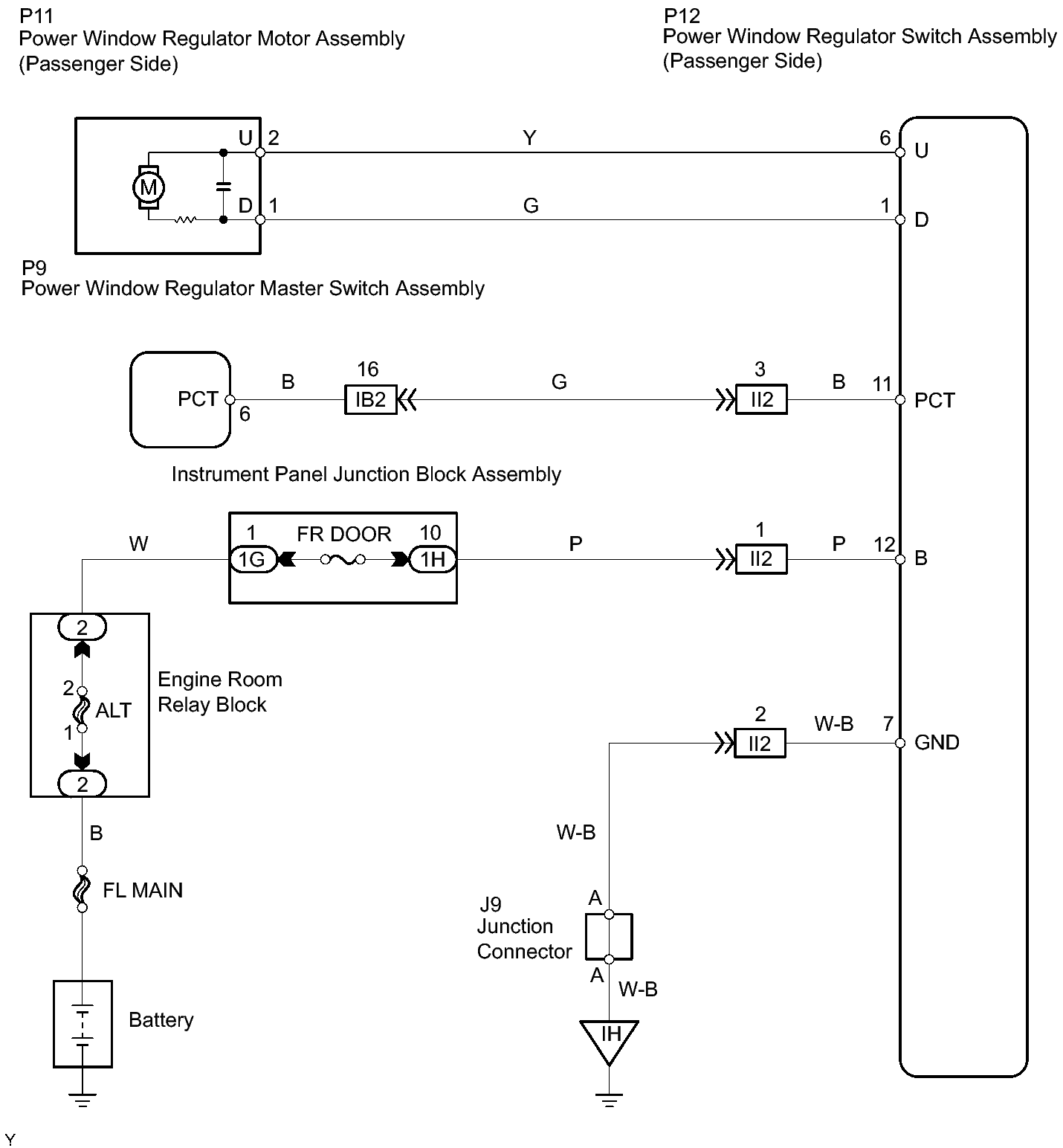
Front Passenger Side Power Window does not Operate with Front Passenger Side Power Window Switch: Wiring Diagram

Fig 1: Front Passenger Side Power Window - Wiring Diagram
GTY160576Courtesy of © TOYOTA, LICENSE AGREEMENT TMS1002