LEMON Manuals: Even more car manuals for everyone: 1960-2025
Home >> Scion >> 2010 >> tC Standard >> Repair and Diagnosis >> Electrical >> Body Electrical >> OEM System Circuits >> Power Source >> Notes
April 5, 2026: LEMON Manuals is launched! Read the announcement.

Power Source: Notes

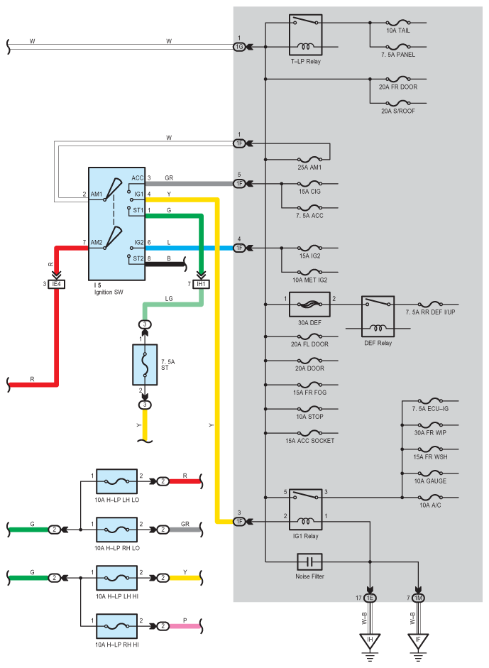
Fig 1: Power Source - Circuit Diagram (1 Of 2)
G07585894Courtesy of © TOYOTA, LICENSE AGREEMENT TMS1002
Fig 2: Power Source - Circuit Diagram (2 Of 2)
G07585895Courtesy of © TOYOTA, LICENSE AGREEMENT TMS1002