LEMON Manuals: Even more car manuals for everyone: 1960-2025
Home >> Scion >> 2010 >> xB Standard >> Repair and Diagnosis >> Electrical >> Body Electrical >> OEM System Circuits >> Engine Control >> Notes
April 5, 2026: LEMON Manuals is launched! Read the announcement.

Engine Control: Notes

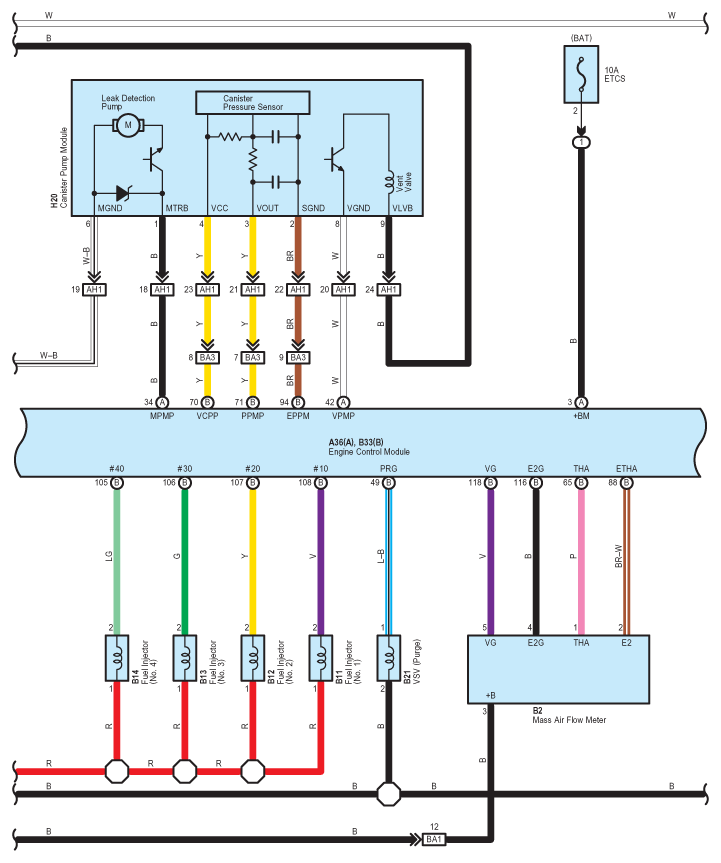
Fig 1: Engine Control - Circuit Diagram (1 Of 9)
G07569293Courtesy of © TOYOTA, LICENSE AGREEMENT TMS1002
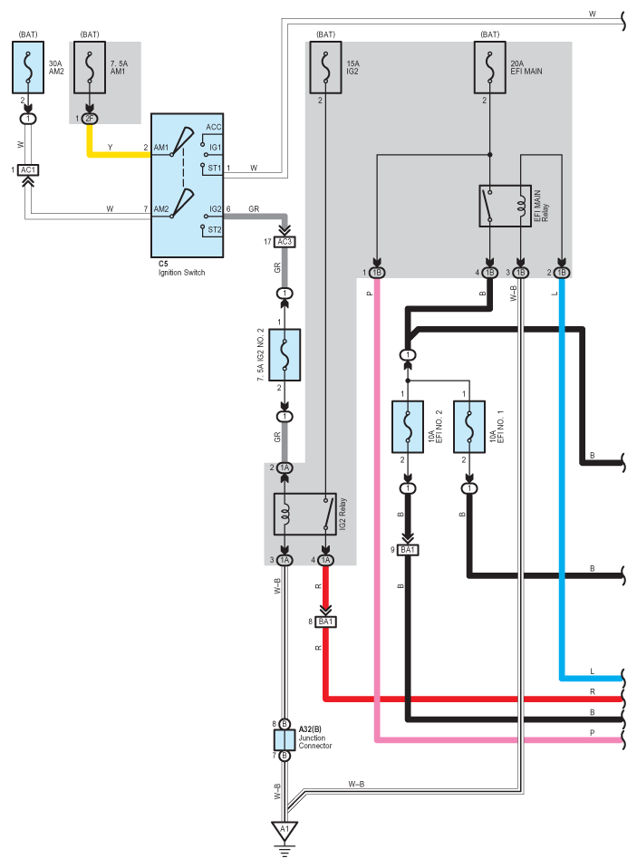
Fig 2: Engine Control - Circuit Diagram (2 Of 9)
G07569294Courtesy of © TOYOTA, LICENSE AGREEMENT TMS1002
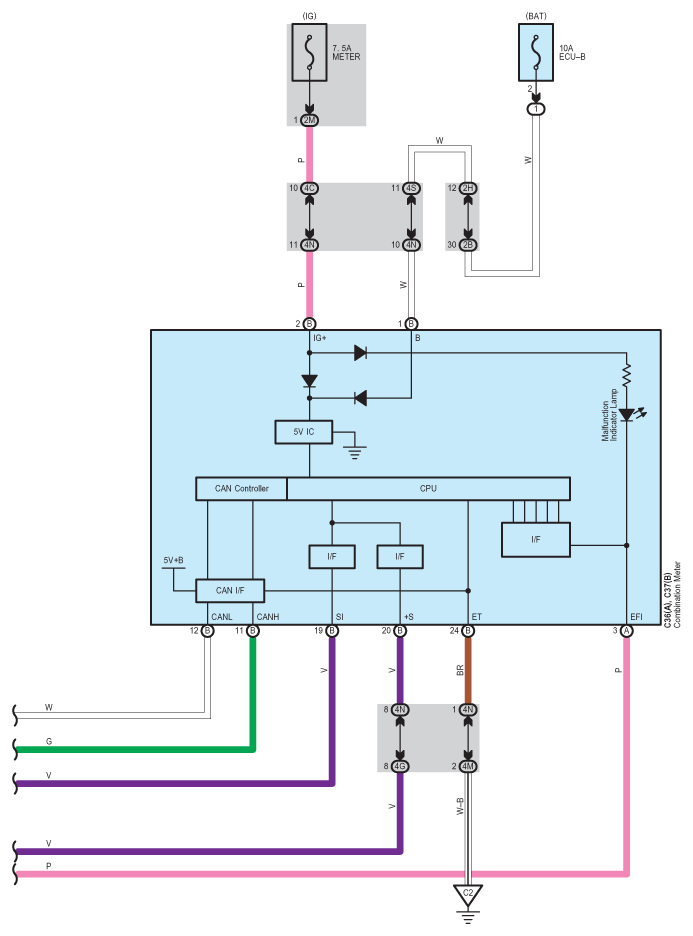
Fig 3: Engine Control - Circuit Diagram (3 Of 9)
G07569295Courtesy of © TOYOTA, LICENSE AGREEMENT TMS1002
Fig 4: Engine Control - Circuit Diagram (4 Of 9)
G07569296Courtesy of © TOYOTA, LICENSE AGREEMENT TMS1002
Fig 5: Engine Control - Circuit Diagram (5 Of 9)
G07569297Courtesy of © TOYOTA, LICENSE AGREEMENT TMS1002
Fig 6: Engine Control - Circuit Diagram (6 Of 9)
G07569298Courtesy of © TOYOTA, LICENSE AGREEMENT TMS1002
Fig 7: Engine Control - Circuit Diagram (7 Of 9)
G07569299Courtesy of © TOYOTA, LICENSE AGREEMENT TMS1002
Fig 8: Engine Control - Circuit Diagram (8 Of 9)
G07569300Courtesy of © TOYOTA, LICENSE AGREEMENT TMS1002
Fig 9: Engine Control - Circuit Diagram (9 Of 9)
G07569301Courtesy of © TOYOTA, LICENSE AGREEMENT TMS1002