LEMON Manuals: Even more car manuals for everyone: 1960-2025
Home >> Scion >> 2010 >> xD Standard >> Repair and Diagnosis >> Body & Frame >> Windows >> Power Window Control (Diagnostics) >> Power Window Control System >> System Diagram >> System Diagram
April 5, 2026: LEMON Manuals is launched! Read the announcement.

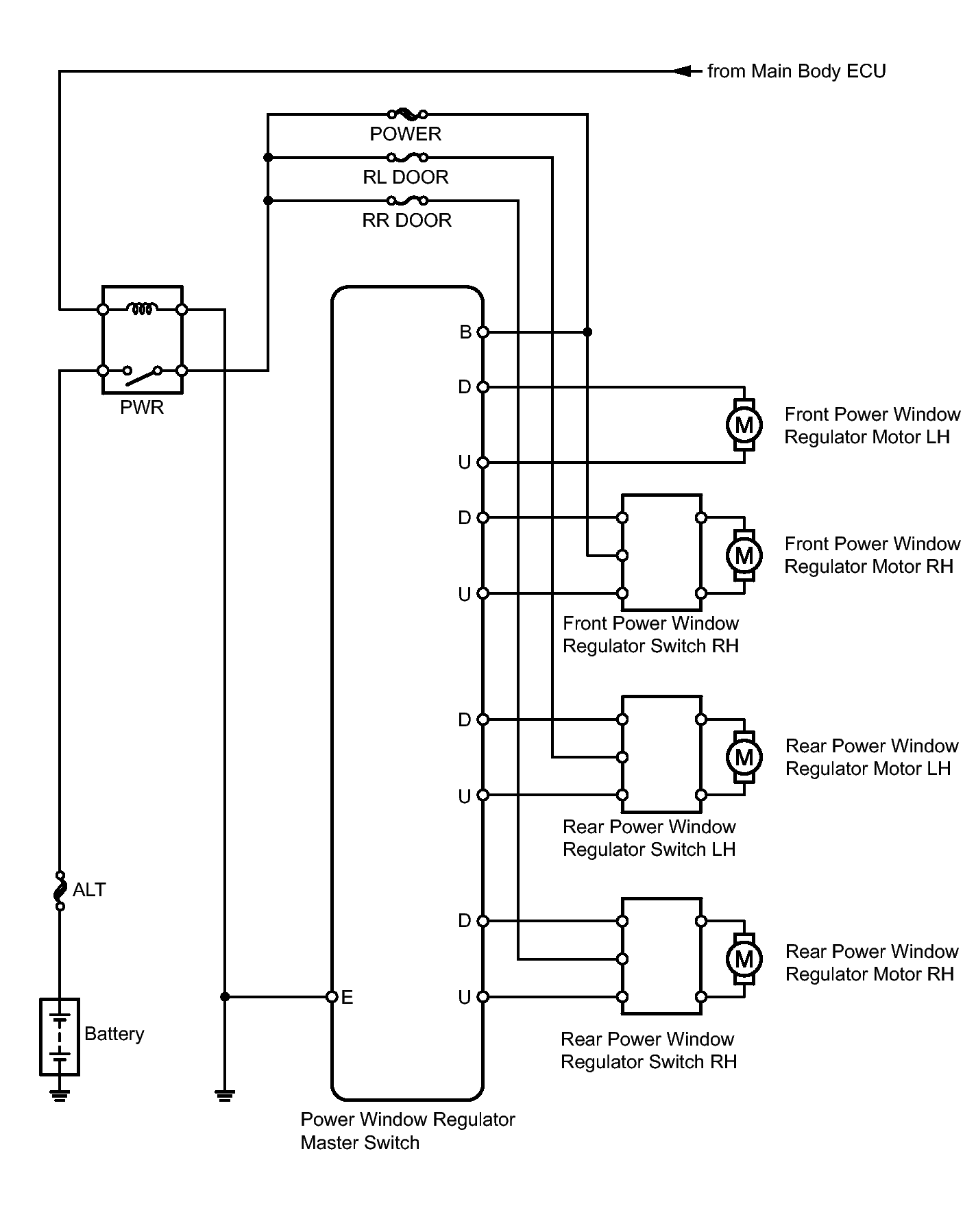
System Diagram

Fig 1: Power Window Control System Diagram (1 Of 2)
GTY166974Courtesy of © TOYOTA, LICENSE AGREEMENT TMS1002
Fig 2: Power Window Control System Diagram (2 Of 2)
GTY164545Courtesy of © TOYOTA, LICENSE AGREEMENT TMS1002