LEMON Manuals: Even more car manuals for everyone: 1960-2025
Home >> Scion >> 2012 >> iQ >> Repair and Diagnosis >> Electrical >> Body Electrical >> OEM System Circuits >> Wireless Door Lock Control >> Notes
April 5, 2026: LEMON Manuals is launched! Read the announcement.

Wireless Door Lock Control: Notes

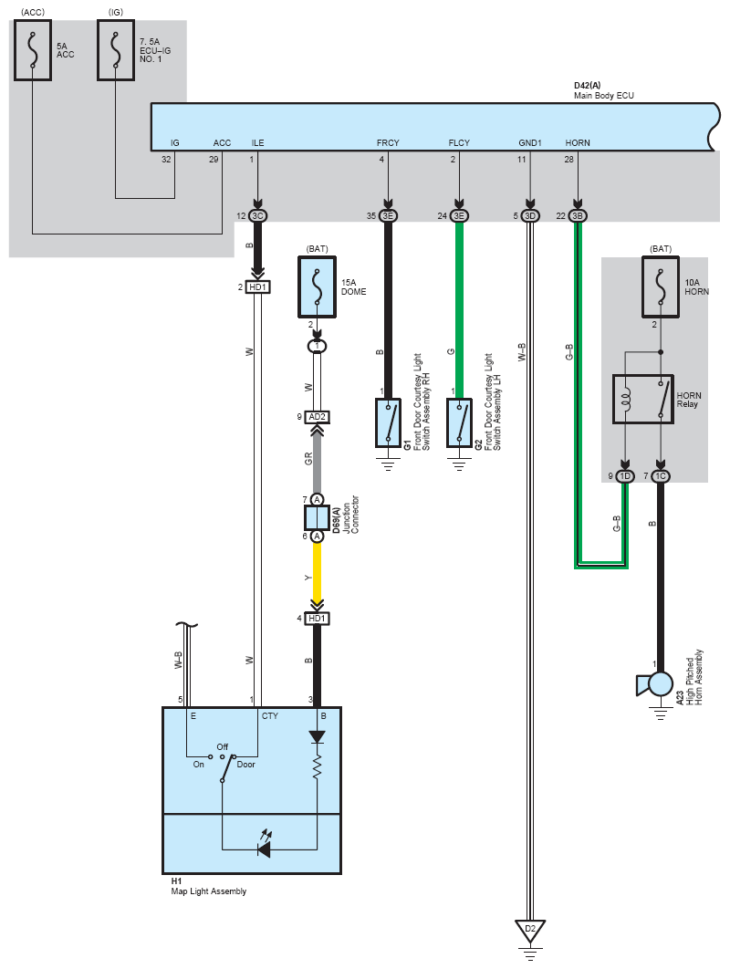
Fig 1: Wireless Door Lock Control System Wiring Diagram (1 Of 3)
G08759849Courtesy of © TOYOTA, LICENSE AGREEMENT TMS1002
Fig 2: Wireless Door Lock Control System Wiring Diagram (2 Of 3)
G08759850Courtesy of © TOYOTA, LICENSE AGREEMENT TMS1002
Fig 3: Wireless Door Lock Control System Wiring Diagram (3 Of 3)
G08759851Courtesy of © TOYOTA, LICENSE AGREEMENT TMS1002