LEMON Manuals: Even more car manuals for everyone: 1960-2025
Home >> Scion >> 2012 >> tC Automatic Trans >> Repair and Diagnosis >> Electrical >> Body Electrical >> OEM System Circuits >> Power Window >> Notes
April 5, 2026: LEMON Manuals is launched! Read the announcement.

Power Window: Notes

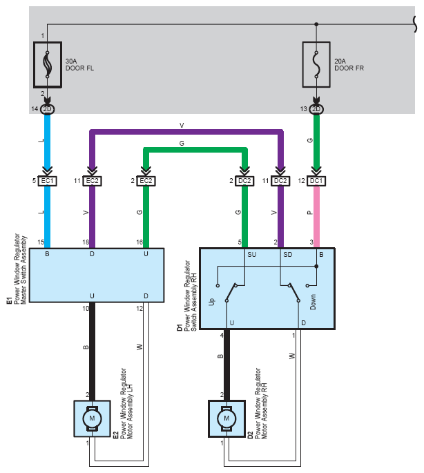
Fig 1: Power Window System Wiring Diagram (1 Of 3)
G08760267Courtesy of © TOYOTA, LICENSE AGREEMENT TMS1002
Fig 2: Power Window System Wiring Diagram (2 Of 3)
G08760268Courtesy of © TOYOTA, LICENSE AGREEMENT TMS1002
Fig 3: Power Window System Wiring Diagram (3 Of 3)
G08760269Courtesy of © TOYOTA, LICENSE AGREEMENT TMS1002