LEMON Manuals: Even more car manuals for everyone: 1960-2025
Home >> Scion >> 2012 >> tC Automatic Trans >> Repair and Diagnosis >> Electrical >> Body Electrical >> OEM System Circuits >> Stop Light >> Notes
April 5, 2026: LEMON Manuals is launched! Read the announcement.

Stop Light: Notes

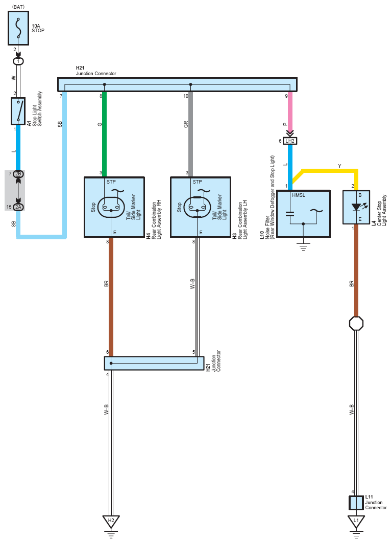
Fig 1: Stop Light System Wiring Diagram
G08760242Courtesy of © TOYOTA, LICENSE AGREEMENT TMS1002