LEMON Manuals: Even more car manuals for everyone: 1960-2025
Home >> Scion >> 2012 >> xD Automatic Trans >> Repair and Diagnosis >> Electrical >> Body Electrical >> OEM System Circuits >> Combination Meter >> Overview
April 5, 2026: LEMON Manuals is launched! Read the announcement.

Combination Meter: Overview

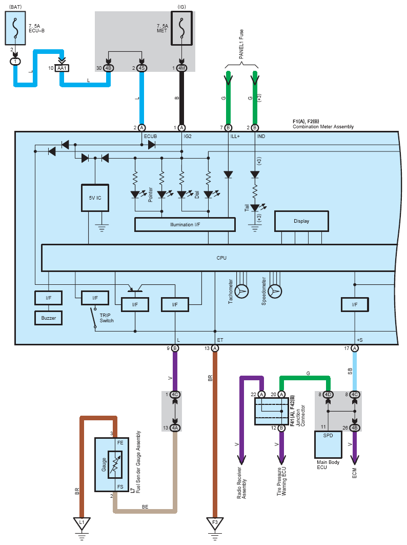
Fig 1: Combination Meter System Wiring Diagram (1 Of 6)
G08761241Courtesy of © TOYOTA, LICENSE AGREEMENT TMS1002
Fig 2: Combination Meter System Wiring Diagram (2 Of 6)
G08761242Courtesy of © TOYOTA, LICENSE AGREEMENT TMS1002