LEMON Manuals: Even more car manuals for everyone: 1960-2025
Home >> Scion >> 2012 >> xD Automatic Trans >> Repair and Diagnosis >> Electrical >> Body Electrical >> OEM System Circuits >> Cruise Control >> Notes
April 5, 2026: LEMON Manuals is launched! Read the announcement.

Cruise Control: Notes

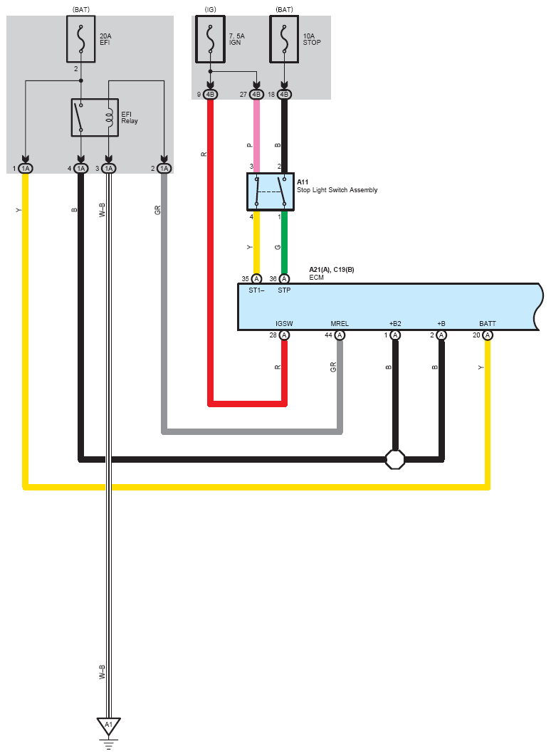
Fig 1: Cruise Control System Wiring Diagram (1 Of 6)
G08761224Courtesy of © TOYOTA, LICENSE AGREEMENT TMS1002
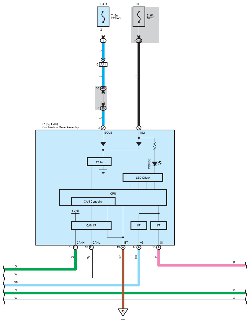
Fig 2: Cruise Control System Wiring Diagram (2 Of 6)
G08761225Courtesy of © TOYOTA, LICENSE AGREEMENT TMS1002
Fig 3: Cruise Control System Wiring Diagram (3 Of 6)
G08761226Courtesy of © TOYOTA, LICENSE AGREEMENT TMS1002
Fig 4: Cruise Control System Wiring Diagram (4 Of 6)
G08761227Courtesy of © TOYOTA, LICENSE AGREEMENT TMS1002
Fig 5: Cruise Control System Wiring Diagram (5 Of 6)
G08761228Courtesy of © TOYOTA, LICENSE AGREEMENT TMS1002
Fig 6: Cruise Control System Wiring Diagram (6 Of 6)
G08761229Courtesy of © TOYOTA, LICENSE AGREEMENT TMS1002