LEMON Manuals: Even more car manuals for everyone: 1960-2025
Home >> Scion >> 2013 >> iQ Base >> Repair and Diagnosis >> Electrical >> Body Electrical >> OEM System Circuits >> Engine Immobilizer System >> Notes
April 5, 2026: LEMON Manuals is launched! Read the announcement.

Engine Immobilizer System: Notes

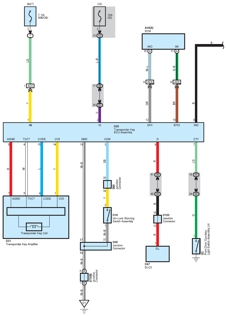
Fig 1: Engine Immobilizer System - Wiring Diagram (1 Of 2)
G08774654Courtesy of © TOYOTA, LICENSE AGREEMENT TMS1002
Fig 2: Engine Immobilizer System - Wiring Diagram (2 Of 2)
G08774655Courtesy of © TOYOTA, LICENSE AGREEMENT TMS1002