LEMON Manuals: Even more car manuals for everyone: 1960-2025
Home >> Scion >> 2013 >> tC Automatic Trans >> Repair and Diagnosis >> Electrical >> Body Electrical >> OEM System Circuits >> EPS >> Notes
April 5, 2026: LEMON Manuals is launched! Read the announcement.

OEM System Circuits: EPS: Notes

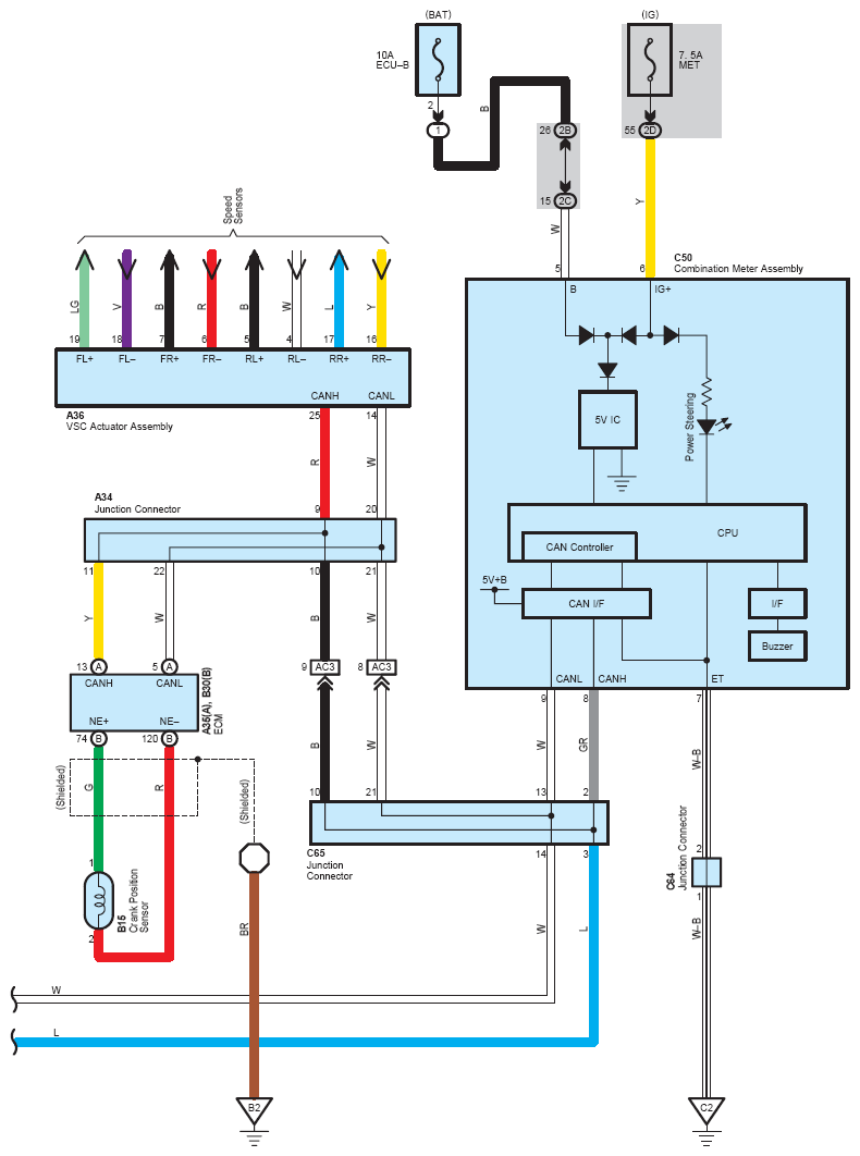
Fig 1: EPS - Wiring Diagram (1 Of 2)
G08775155Courtesy of © TOYOTA, LICENSE AGREEMENT TMS1002
Fig 2: EPS - Wiring Diagram (2 Of 2)
G08775156Courtesy of © TOYOTA, LICENSE AGREEMENT TMS1002