LEMON Manuals: Even more car manuals for everyone: 1960-2025
Home >> Scion >> 2013 >> tC Automatic Trans >> Repair and Diagnosis >> Electrical >> Body Electrical >> OEM System Circuits >> Power Source >> Notes
April 5, 2026: LEMON Manuals is launched! Read the announcement.

Power Source: Notes

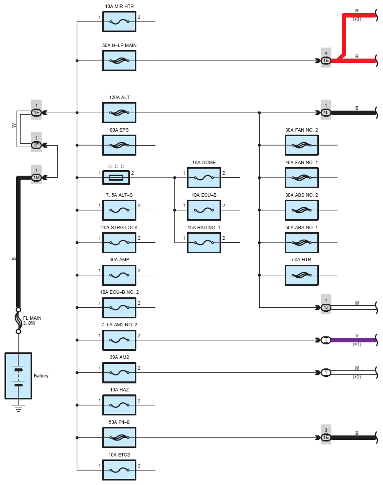
Fig 1: Power Source - Wiring Diagram (1 Of 6)
G08775048Courtesy of © TOYOTA, LICENSE AGREEMENT TMS1002
Fig 2: Power Source - Wiring Diagram (2 Of 6)
G08775049Courtesy of © TOYOTA, LICENSE AGREEMENT TMS1002
Fig 3: Power Source - Wiring Diagram (3 Of 6)
G08775050Courtesy of © TOYOTA, LICENSE AGREEMENT TMS1002
Fig 4: Power Source - Wiring Diagram (4 Of 6)
G08775051Courtesy of © TOYOTA, LICENSE AGREEMENT TMS1002
Fig 5: Power Source - Wiring Diagram (5 Of 6)
G08775052Courtesy of © TOYOTA, LICENSE AGREEMENT TMS1002
Fig 6: Power Source - Wiring Diagram (6 Of 6)
G08775053Courtesy of © TOYOTA, LICENSE AGREEMENT TMS1002