LEMON Manuals: Even more car manuals for everyone: 1960-2025
Home >> Scion >> 2013 >> tC Automatic Trans >> Repair and Diagnosis >> Electrical >> Body Electrical >> OEM System Circuits >> Stop Light >> Notes
April 5, 2026: LEMON Manuals is launched! Read the announcement.

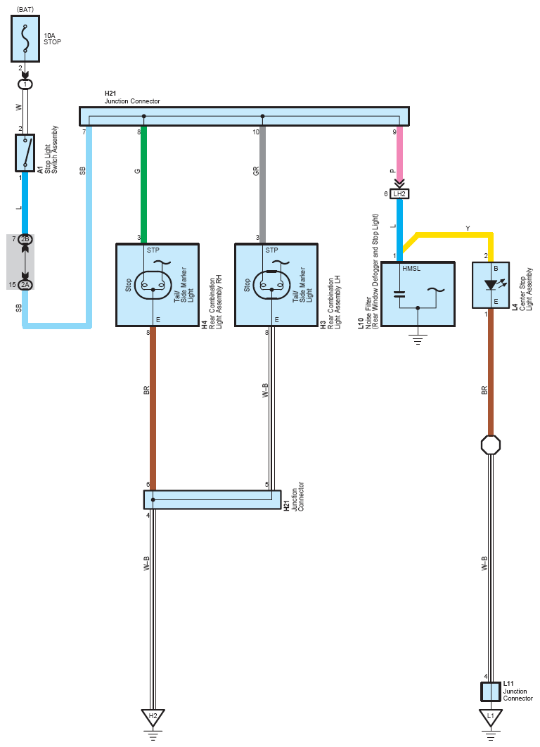
Stop Light: Notes

Fig 1: Stop Light - Wiring Diagram
G08775100Courtesy of © TOYOTA, LICENSE AGREEMENT TMS1002