LEMON Manuals: Even more car manuals for everyone: 1960-2025
Home >> Subaru >> 1982 >> Brat F4-1781cc 1.8L >> Repair and Diagnosis >> Powertrain Management >> Computers and Control Systems >> Locations >> Thermo Sensor
April 5, 2026: LEMON Manuals is launched! Read the announcement.

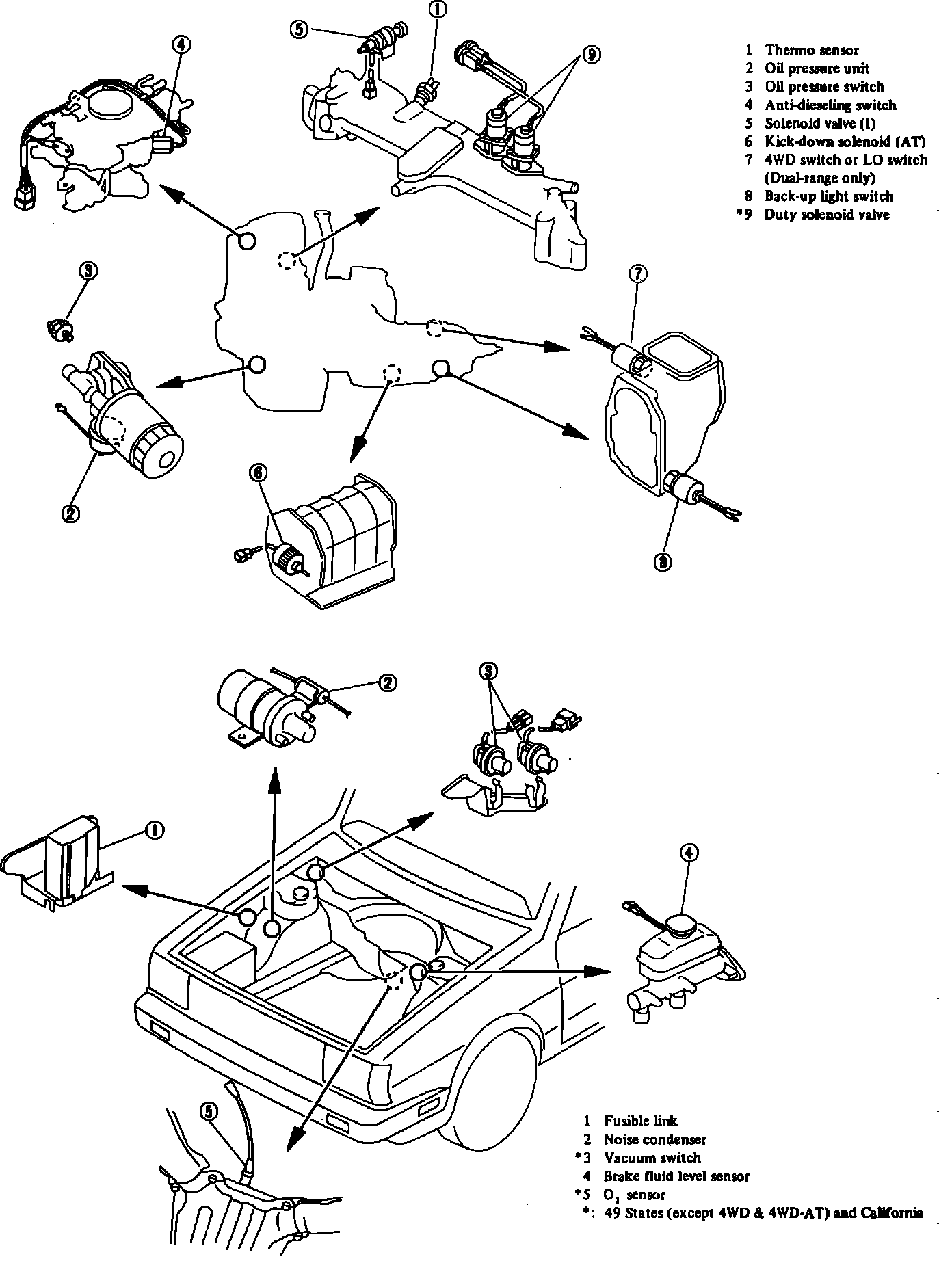
Thermo Sensor

Engine Compartment & Transaxle Mounted Electrical Components.:




On Intake Manifold

Applicable to: Brat