LEMON Manuals: Even more car manuals for everyone: 1960-2025
Home >> Subaru >> 1989 >> Justy DL >> Repair and Diagnosis >> Engine Performance >> System >> Basic Testing - CARBURETED >> Ignition Checks
April 5, 2026: LEMON Manuals is launched! Read the announcement.

Ignition Checks

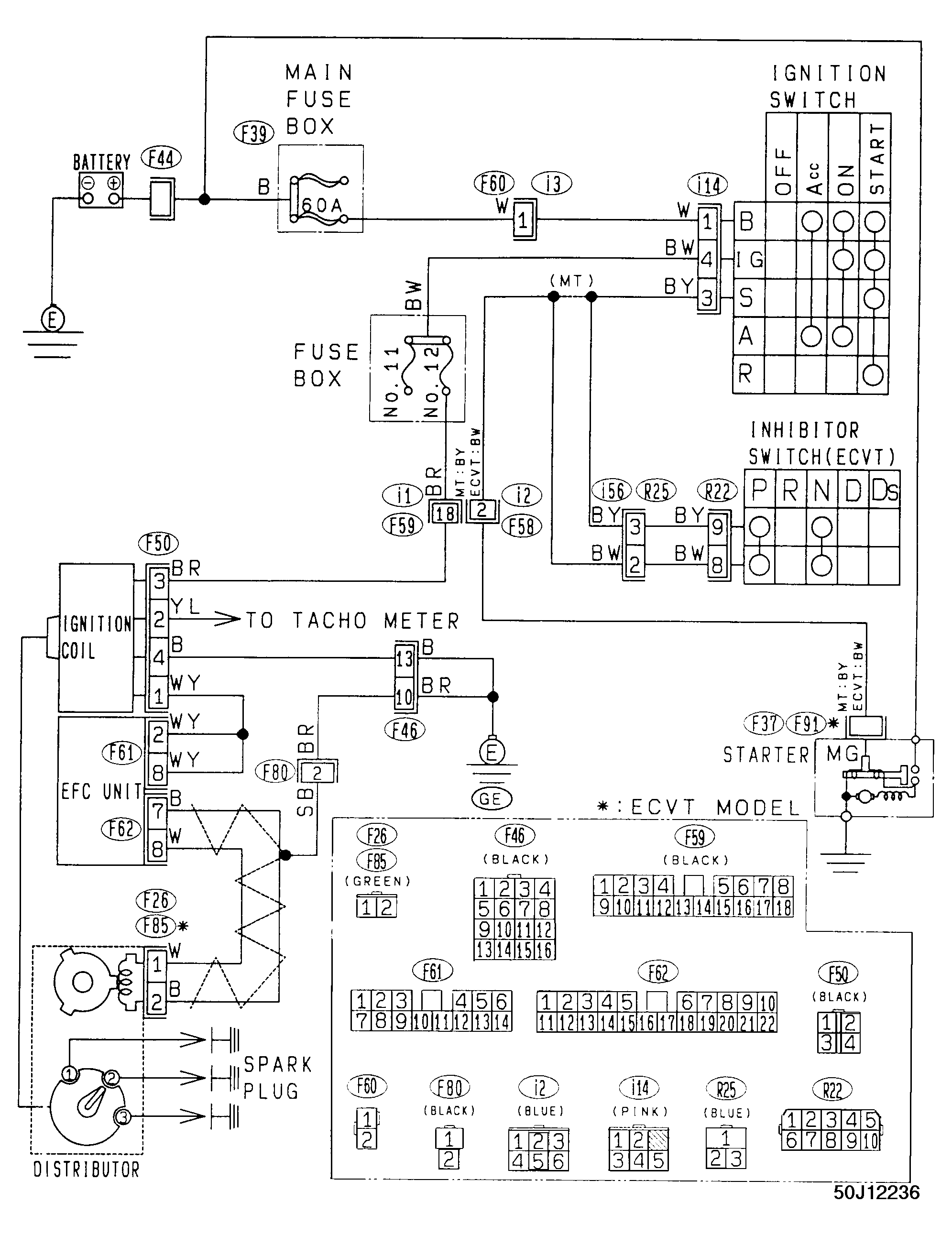
Fig 1: Justy Ignition Control System Test - Wiring Diagram
G50J12236Courtesy of SUBARU OF AMERICA, INC.
Fig 2: Justy Ignition Control System Test - Schematic
G118296Courtesy of SUBARU OF AMERICA, INC.
Fig 3: Justy Ignition Control System Test - Flow Chart (1 of 3)
G121844Courtesy of SUBARU OF AMERICA, INC.
Fig 4: Justy Ignition Control System Test - Flow Chart (2 of 3)
G118297Courtesy of SUBARU OF AMERICA, INC.
Fig 5: Justy Ignition Control System Test - Flow Chart (3 of 3)
G118298Courtesy of SUBARU OF AMERICA, INC.