LEMON Manuals: Even more car manuals for everyone: 1960-2025
Home >> Subaru >> 1990 >> XT-6 2WD L6-2.7L SOHC >> Repair and Diagnosis >> Powertrain Management >> Computers and Control Systems >> Relays and Modules - Computers and Control Systems >> Engine Control Module >> Testing and Inspection
April 5, 2026: LEMON Manuals is launched! Read the announcement.

Engine Control Module: Testing and Inspection

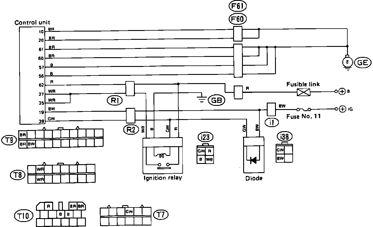
Power And Ground Supply Circuit:





NOTE: Never connect or disconnect the control unit or any sensors with the ignition "ON" unless specifically instructed to do so by a test procedure. Failure to follow this precaution could result in damage to electronic components.

While there is no specific test for the ECU, nor does it set a trouble code if a fault occurs in its own circuitry, many of the component tests lead to the control unit if no other problems are detected.

Apparent ECU problems can result from power supply and ground circuit problems. Therefore, these should be checked if a faulty ECU is suspected.

Power And Ground Supply Diagnostic Chart:





ECU POWER AND GROUND SUPPLY CHECK

Wire color code identification:

L: Blue
B: Black
Y: Yellow
G: Green
R: Red
W: White
Br: Brown
Lg: Light green
Gr: Gray

ECU Connector Table:





ECU CONNECTOR TABLE