LEMON Manuals: Even more car manuals for everyone: 1960-2025
Home >> Subaru >> 1992 >> Legacy LE >> Repair and Diagnosis >> Engine Performance >> System >> Engine Controls - Tests W/Codes >> Diagnostic Code Charts >> Code 31: Throttle Position Sensor
April 5, 2026: LEMON Manuals is launched! Read the announcement.

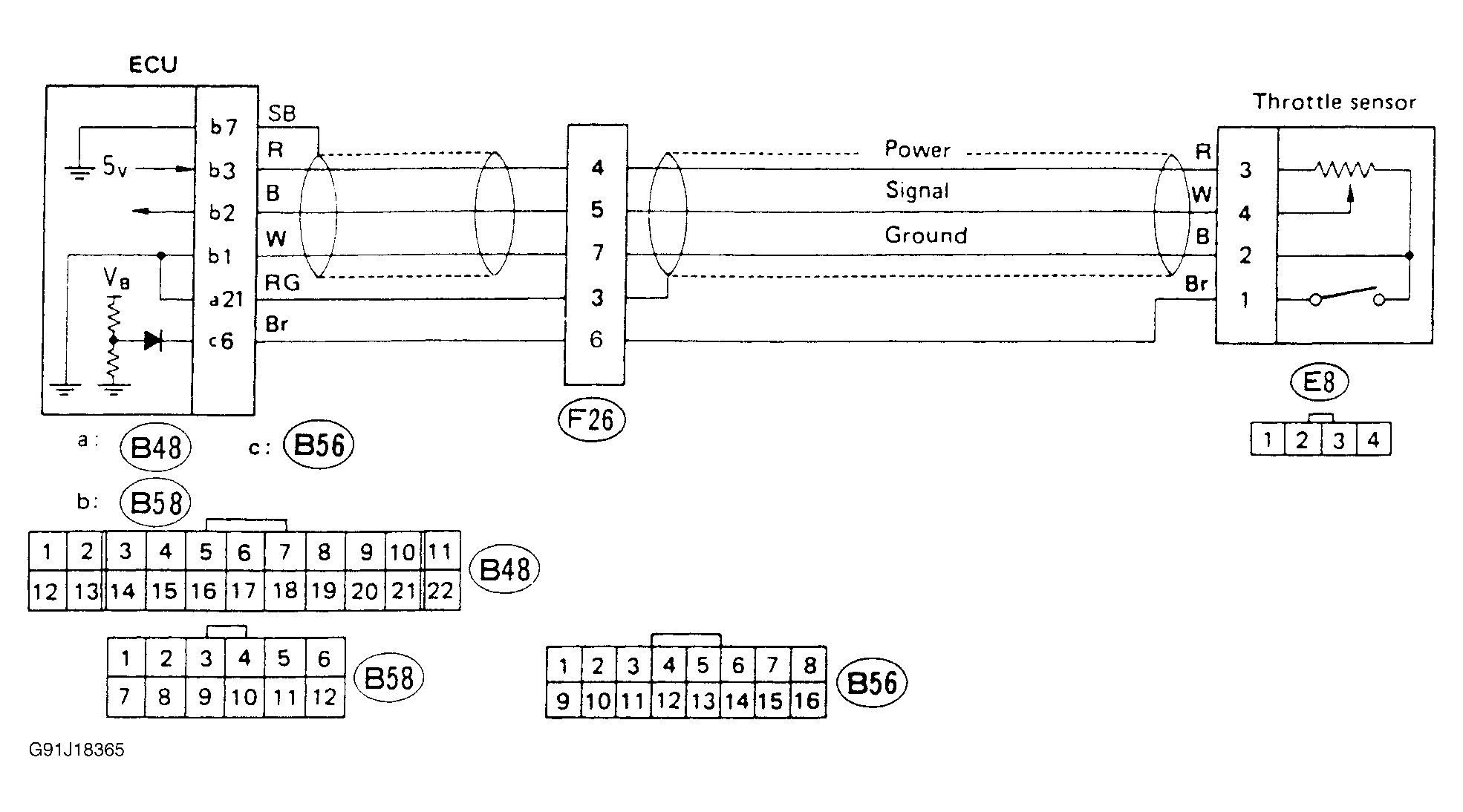
Code 31: Throttle Position Sensor

Fig 1: Schematic - Code 31, Throttle Position Sensor
G91J18365
Fig 2: Flow Chart - Code 31, Throttle Position Sensor
G91I17580