LEMON Manuals: Even more car manuals for everyone: 1960-2025
Home >> Subaru >> 1992 >> SVX L6-3.3L DOHC >> Repair and Diagnosis >> Powertrain Management >> Ignition System >> Ignition Control Module >> Testing and Inspection
April 5, 2026: LEMON Manuals is launched! Read the announcement.

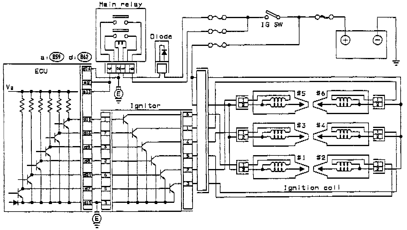
Ignition Control Module: Testing and Inspection

Ignition Control Circuit:





1. Connect all connectors.
2. Measure voltage between ignitor output connector and body while cranking the engine.


Connector & Terminal/Specified value
#1: (811) No. 1 - Body/5 V, min.
#2: (B11) No. 2 - Body/5 V, min.
#3: (B11) No. 3 - Body/5 V, min.
#4: (B11) No. 4 - Body/5 V, min.
#5: (B11) No. 5 - Body/5 V, min.
#6: (811) No. 6 - Body/5 V, min.