LEMON Manuals: Even more car manuals for everyone: 1960-2025
Home >> Subaru >> 1999 >> Forester AWD F4-2.5L SOHC >> Repair and Diagnosis >> Powertrain Management >> Transmission Control Systems >> Testing and Inspection >> Component Tests and General Diagnostics >> Diagnostics For On-Board Diagnostics Failed >> Control Module Power Supply and Ground Line
April 5, 2026: LEMON Manuals is launched! Read the announcement.

Control Module Power Supply and Ground Line

CONTROL MODULE POWER SUPPLY AND GROUND LINE

Steps 7B1 - 7B2:




Steps 7B3 - 7B6:




Steps 7B7 - 7B9:





DIAGNOSIS:





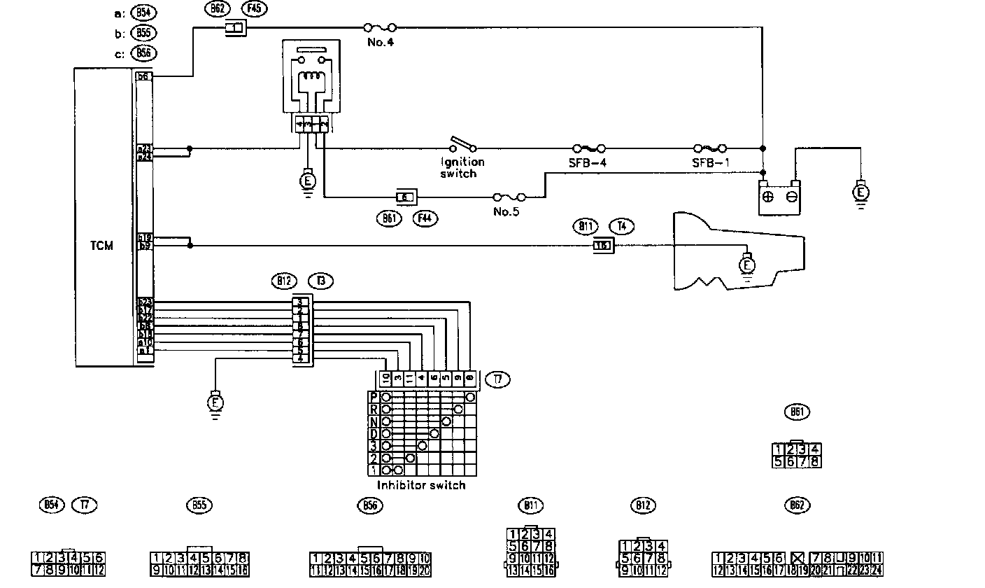
WIRING DIAGRAM: