LEMON Manuals: Even more car manuals for everyone: 1960-2025
Home >> Subaru >> 2000 >> Outback Base, Automatic >> Repair and Diagnosis >> External Pages >> Different car >> Section 20 (Lighting Systems) >> Back-Up Light System >> Schematic >> Back-Up Light
April 5, 2026: LEMON Manuals is launched! Read the announcement.

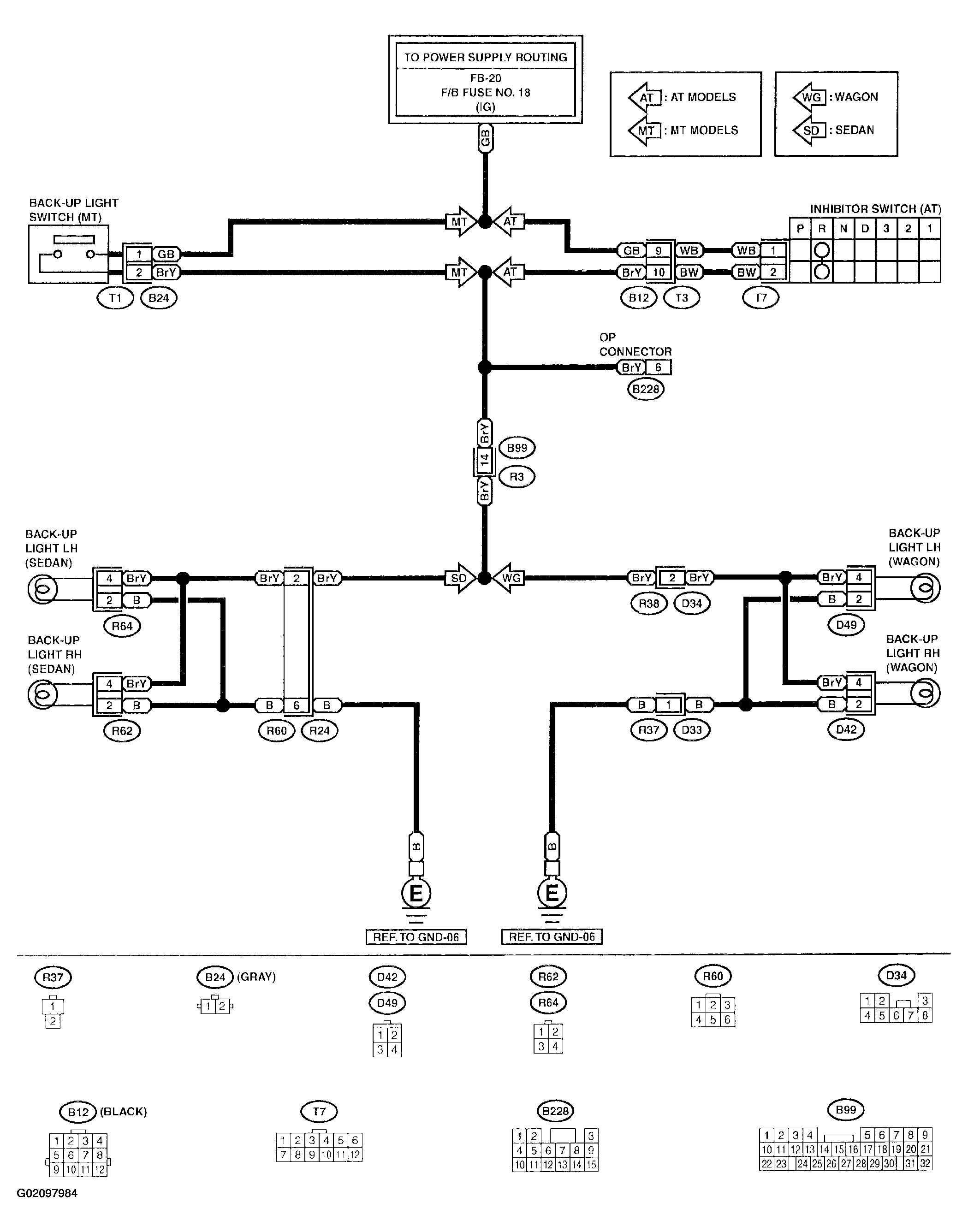
Back-Up Light

WARNING: This page is about a different car, the 2001 Subaru Outback and 2001 Subaru Legacy. However, it is still accessible from the selected car via links, so may be relevant.
Fig 1: Back-Up Light Schematic
G02097984