LEMON Manuals: Even more car manuals for everyone: 1960-2025
Home >> Subaru >> 2001 >> Forester Base >> Repair and Diagnosis >> Transmission >> Automatic Trans >> Diagnostics >> Diagnostic Chart With Trouble Code >> List Of Trouble Code >> How To Read Trouble Code At Indicator Light
April 5, 2026: LEMON Manuals is launched! Read the announcement.

How To Read Trouble Code At Indicator Light

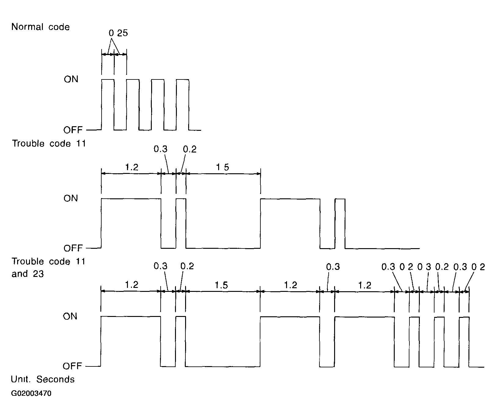
The AT OIL TEMP indicator light flashes the code corresponding to the faulty part.

The long segment (1.2 sec on) indicates a "ten", and the short segment (0.2 sec on) signifies a "one".

Fig 1: How To Read Trouble Codes (At The AT Oil Temp Indicator Light)
G02003470