LEMON Manuals: Even more car manuals for everyone: 1960-2025
Home >> Subaru >> 2001 >> Outback Base, Automatic >> Repair and Diagnosis >> Transmission >> Automatic Trans >> A/T Control Systems >> AT Shift Lock System >> Inspection >> At Shift Lock Control Module Power Supply And Ground Line
April 5, 2026: LEMON Manuals is launched! Read the announcement.

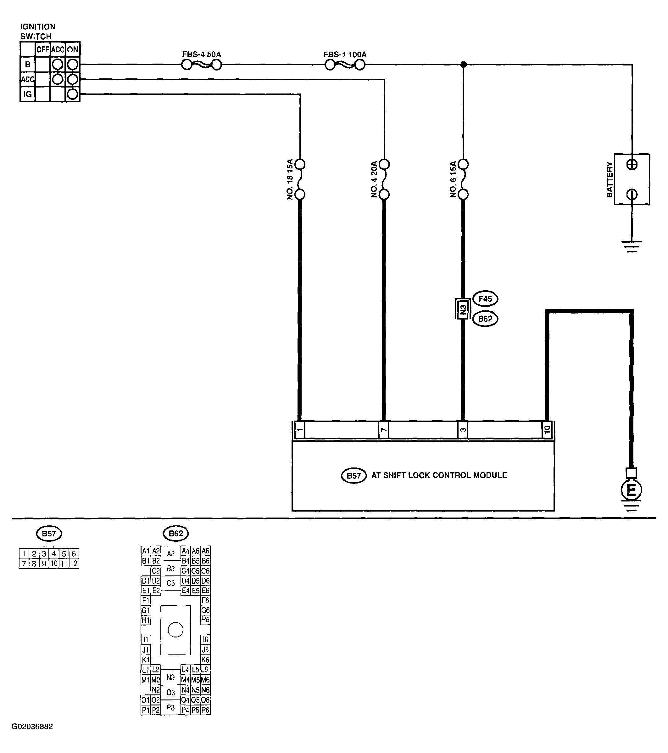
At Shift Lock Control Module Power Supply And Ground Line

Fig 1: Wiring Diagram
G02036882
Fig 2: AT Shift Lock Power Supply Diagnostic Chart
G02036883