LEMON Manuals: Even more car manuals for everyone: 1960-2025
Home >> Subaru >> 2001 >> Outback Base, Automatic >> Repair and Diagnosis >> Transmission >> Automatic Trans >> A/T Control Systems >> AT Shift Lock System >> Inspection >> Key Interlock Does Not Lock Or Release
April 5, 2026: LEMON Manuals is launched! Read the announcement.

Key Interlock Does Not Lock Or Release

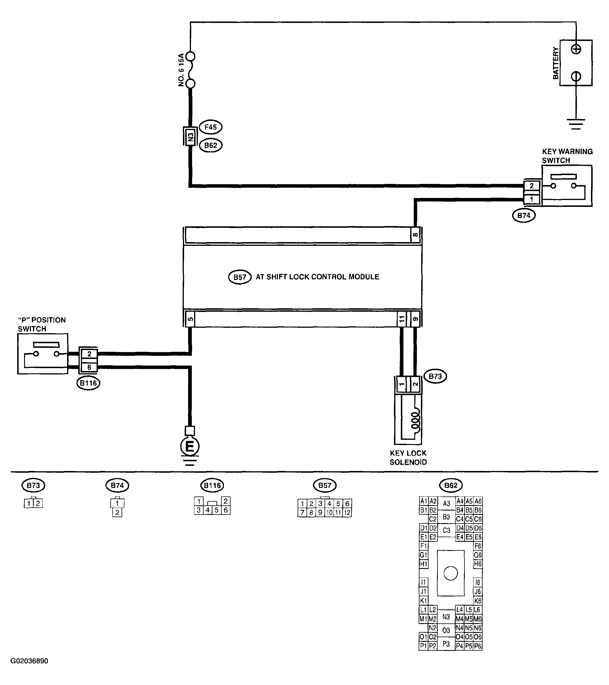
Fig 1: Wiring Diagram
G02036890
Fig 2: Key Interlock Diagnostic Chart
G02036891
Fig 3: Key Interlock Diagnostic Chart
G02036892