LEMON Manuals: Even more car manuals for everyone: 1960-2025
Home >> Subaru >> 2001 >> Outback Base, Automatic >> Repair and Diagnosis >> Transmission >> Automatic Trans >> A/T Control Systems >> AT Shift Lock System >> Inspection >> Select Lever Shift Lock Cannot Be Released
April 5, 2026: LEMON Manuals is launched! Read the announcement.

Select Lever Shift Lock Cannot Be Released

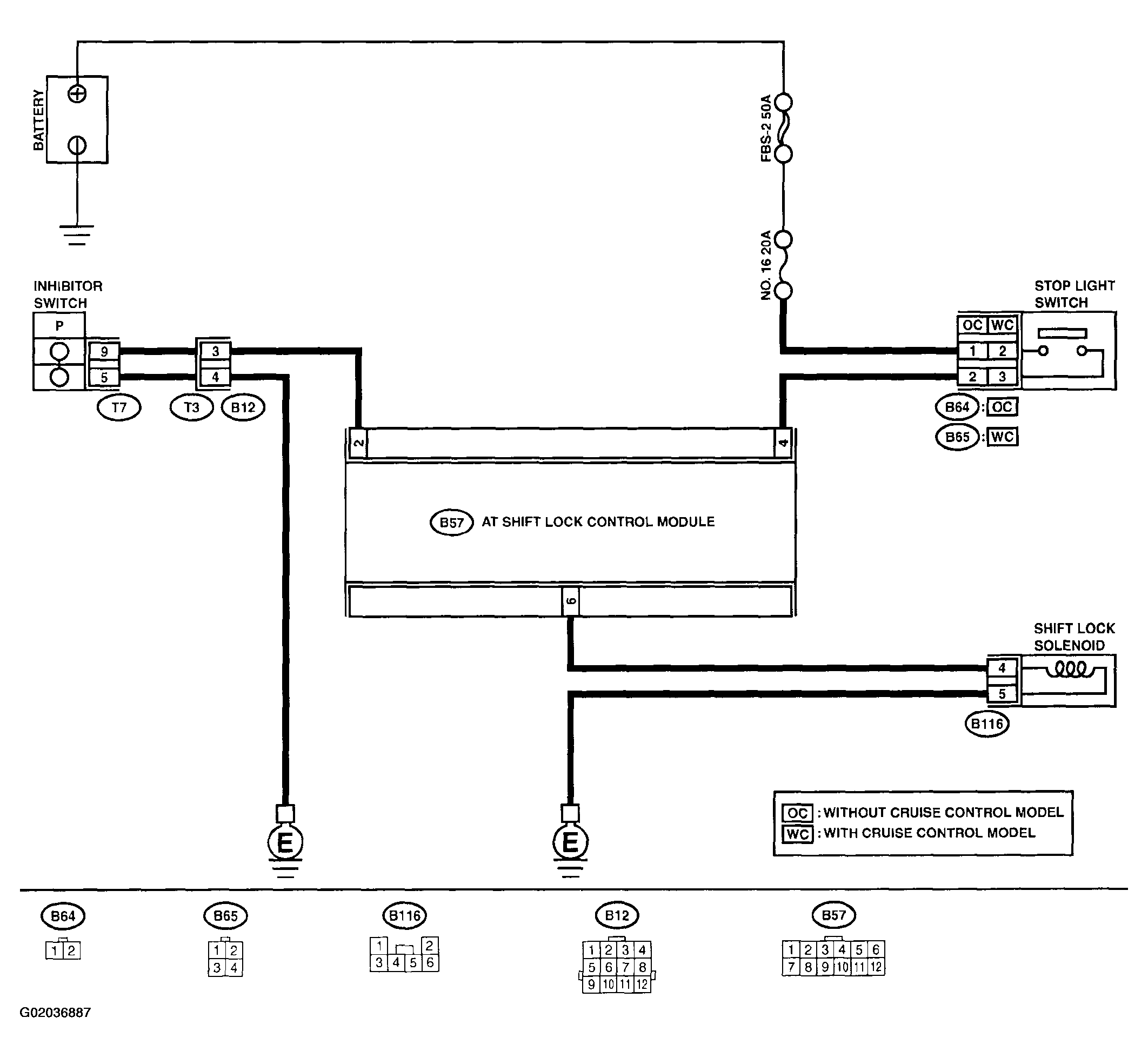
Fig 1: Wiring Diagram
G02036887
Fig 2: AT Shift Lock Wiring & Switches Diagnostic Chart
G02036888
Fig 3: AT Shift Lock System Diagnostic Chart
G02036889