LEMON Manuals: Even more car manuals for everyone: 1960-2025
Home >> Subaru >> 2001 >> Outback Base, Standard >> Repair and Diagnosis >> Transmission >> Manual Transmission >> Speedometer System >> Schematic
April 5, 2026: LEMON Manuals is launched! Read the announcement.

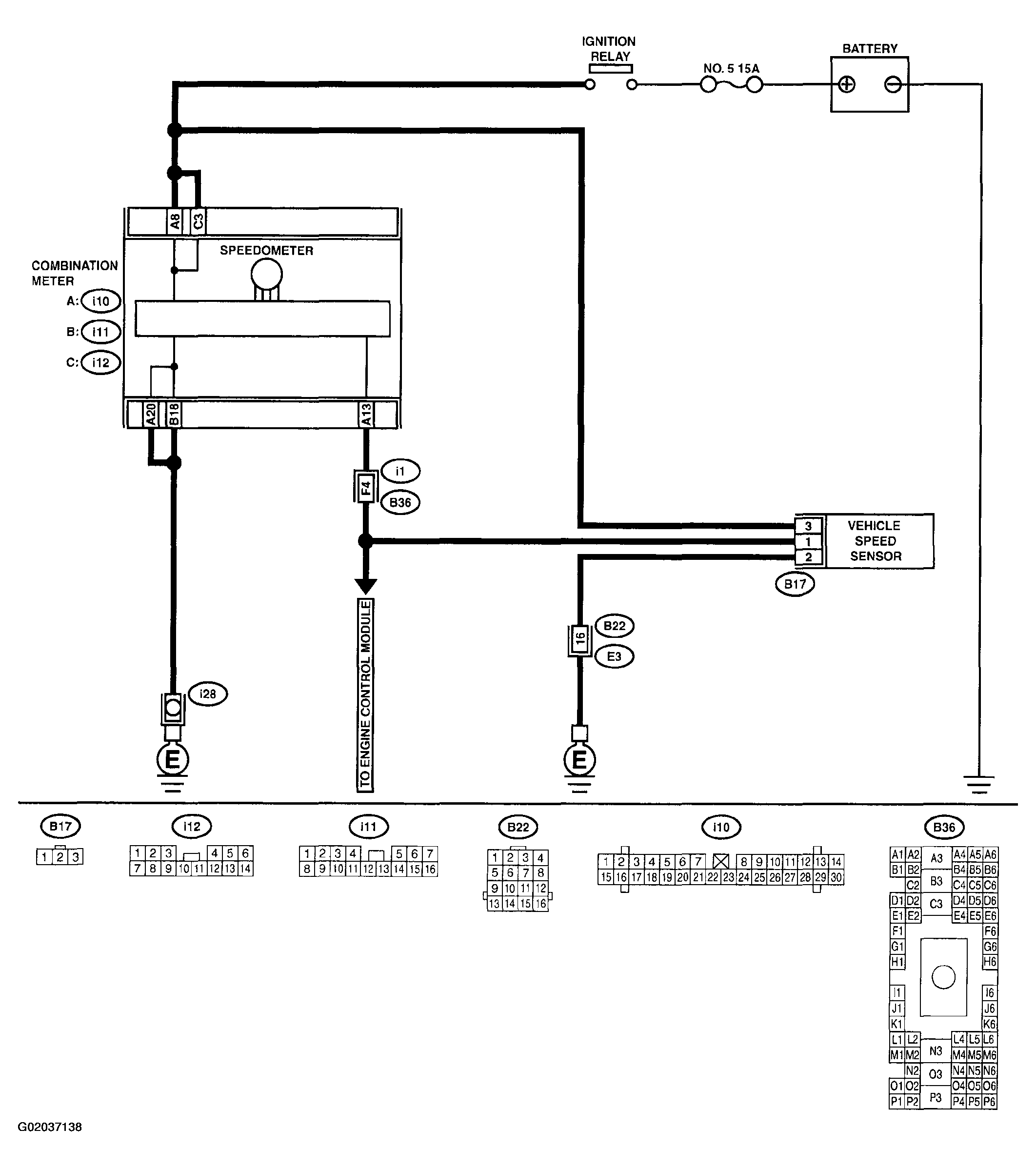
Speedometer System: Schematic

Fig 1: Speedometer Wiring Schematic
G02037138