LEMON Manuals: Even more car manuals for everyone: 1960-2025
Home >> Subaru >> 2001 >> Outback VDC >> Repair and Diagnosis >> Brakes >> Traction Control >> Vehicle Dynamics Control (Diagnostics) >> Diagnostics Chart With Select Monitor >> Communication For Initializing Impossible (Select Monitor Communication Failure) >> Wiring Diagram
April 5, 2026: LEMON Manuals is launched! Read the announcement.

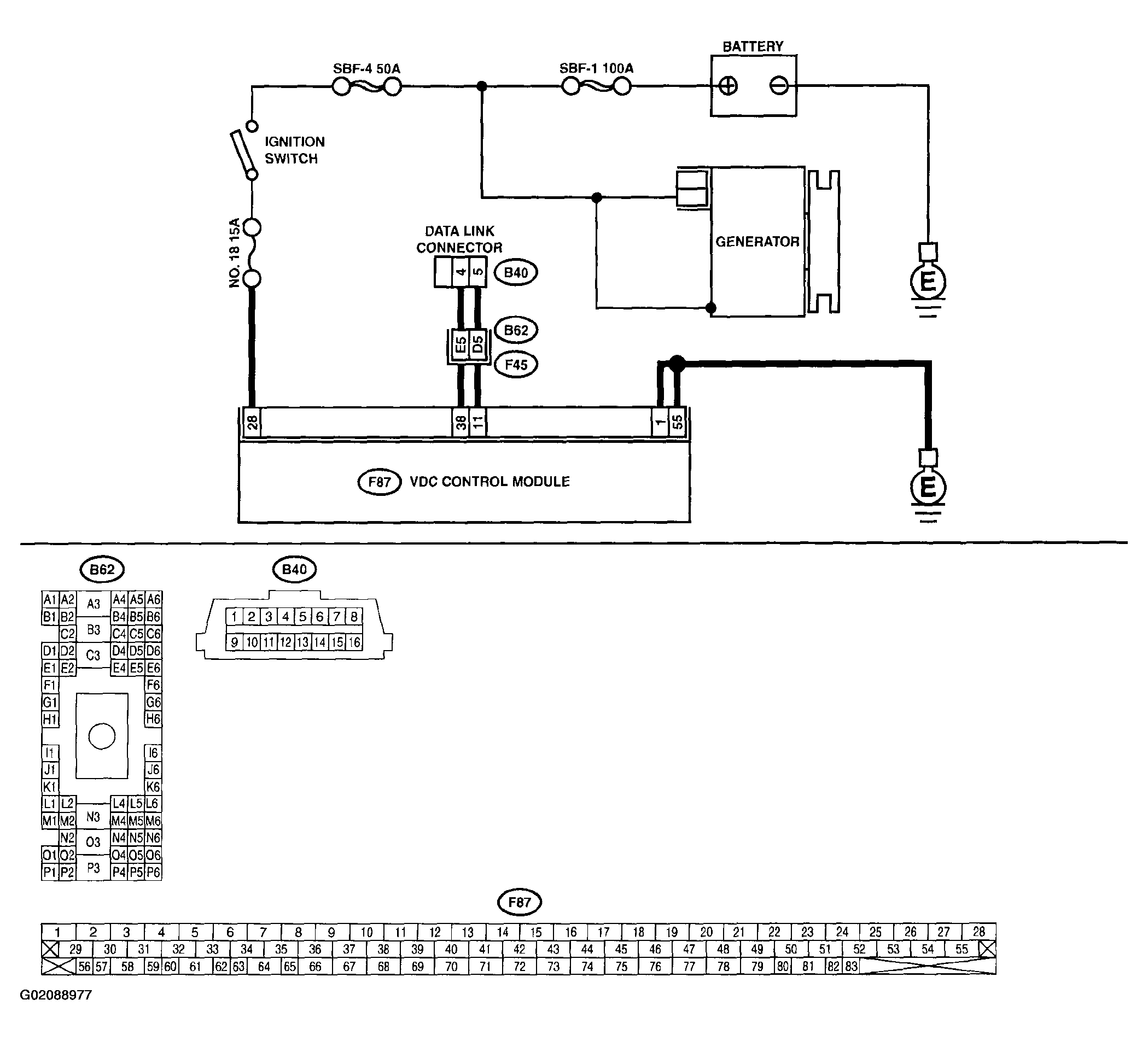
Communication For Initializing Impossible (Select Monitor Communication Failure): Wiring Diagram

Fig 1: Wiring Diagram - Select Monitor Communication Failure
G02088977