LEMON Manuals: Even more car manuals for everyone: 1960-2025
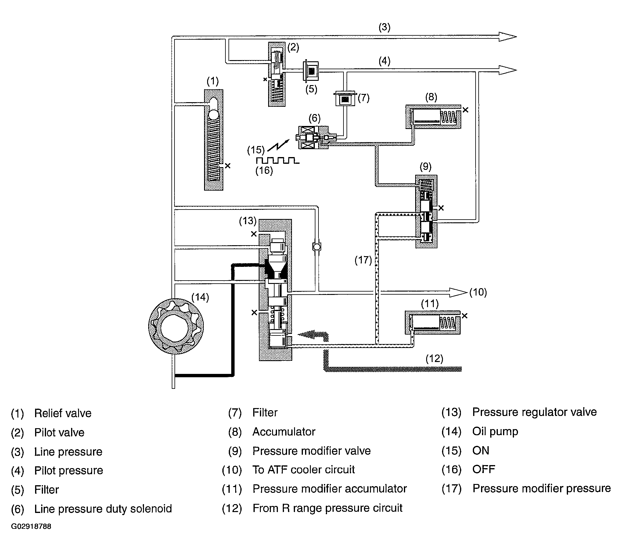
Home >> Subaru >> 2003 >> Forester X, Automatic >> Repair and Diagnosis >> Transmission >> Automatic Trans >> Automatic Transmission - Mechanism & Function >> Transmission Control Module (TCM) >> Line Pressure Control
April 5, 2026: LEMON Manuals is launched! Read the announcement.

Line Pressure Control