LEMON Manuals: Even more car manuals for everyone: 1960-2025
Home >> Subaru >> 2003 >> Forester X, Automatic >> Repair and Diagnosis >> Transmission >> Automatic Trans >> Automatic Transmission - Mechanism & Function >> Transmission Control Module (TCM) >> Reverse Inhibition Control
April 5, 2026: LEMON Manuals is launched! Read the announcement.

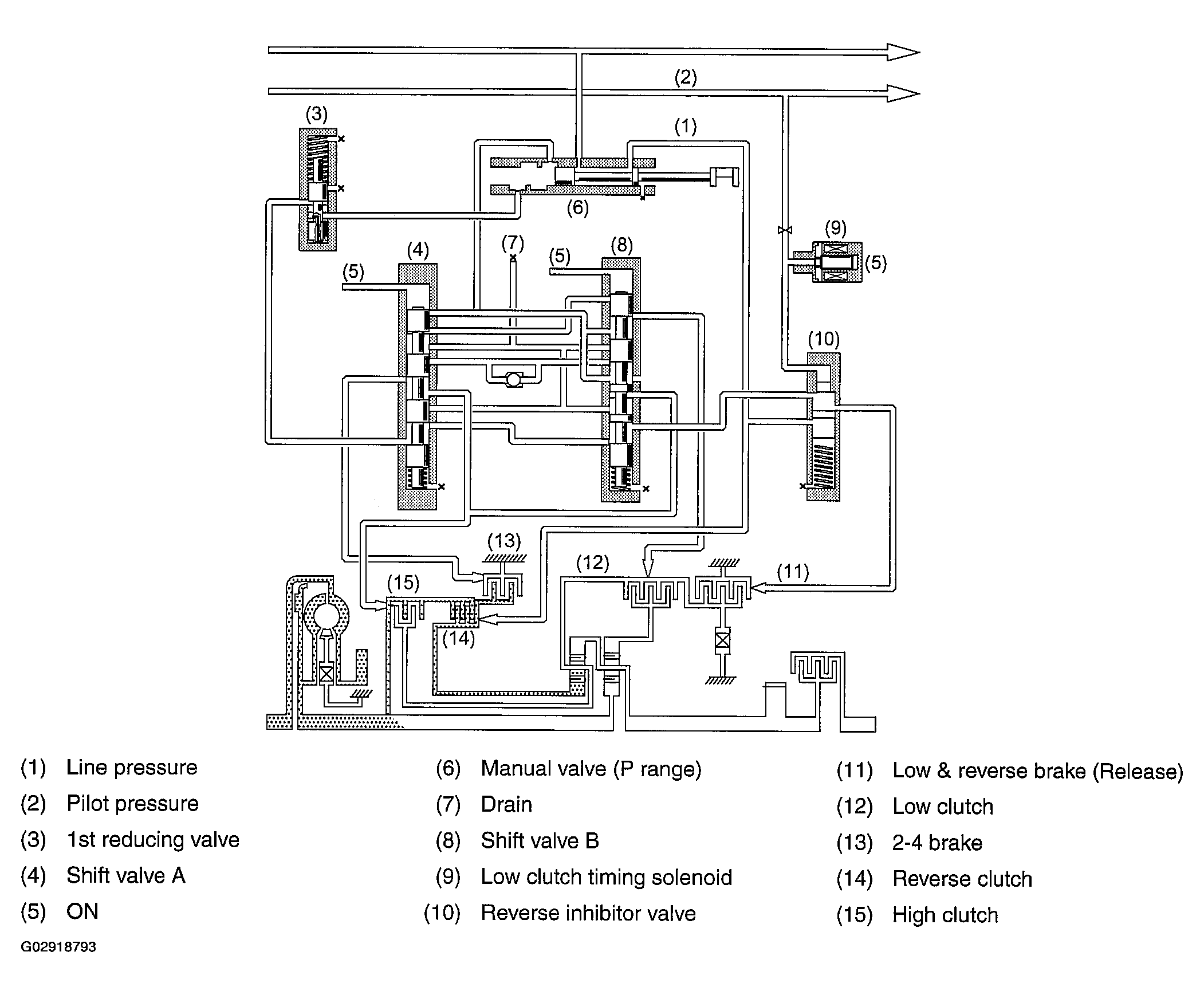
Reverse Inhibition Control

This control prevents the transmission from shifting into the reverse gear when the select lever is accidentally placed in the R position, thus protecting the components such as reverse clutch from being damaged.

If the selector lever is moved to the R position during driving at a speed faster than the predetermined speed, the low clutch timing solenoid is energized. Then, the pilot pressure is supplied to the reverse inhibitor valve. This causes the reverse inhibitor valve to move downward, closing the low & reverse brake port.

In this condition, the low & reverse brake does not engage since the ATF flowing from the manual valve is blocked by the reverse inhibitor valve.

As a result, the transmission is put into the neutral state, and the shifting into the reverse gear is inhibited.

Fig 1: Reverse Inhibition Control System Diagram
G02918793Courtesy of SUBARU OF AMERICA, INC.