LEMON Manuals: Even more car manuals for everyone: 1960-2025
Home >> Subaru >> 2003 >> Forester X, Standard >> Repair and Diagnosis >> Engine Performance >> Engine Control Systems >> Fuel Injection (Fuel Systems) >> General Description >> Air Intake System >> Notes
April 5, 2026: LEMON Manuals is launched! Read the announcement.

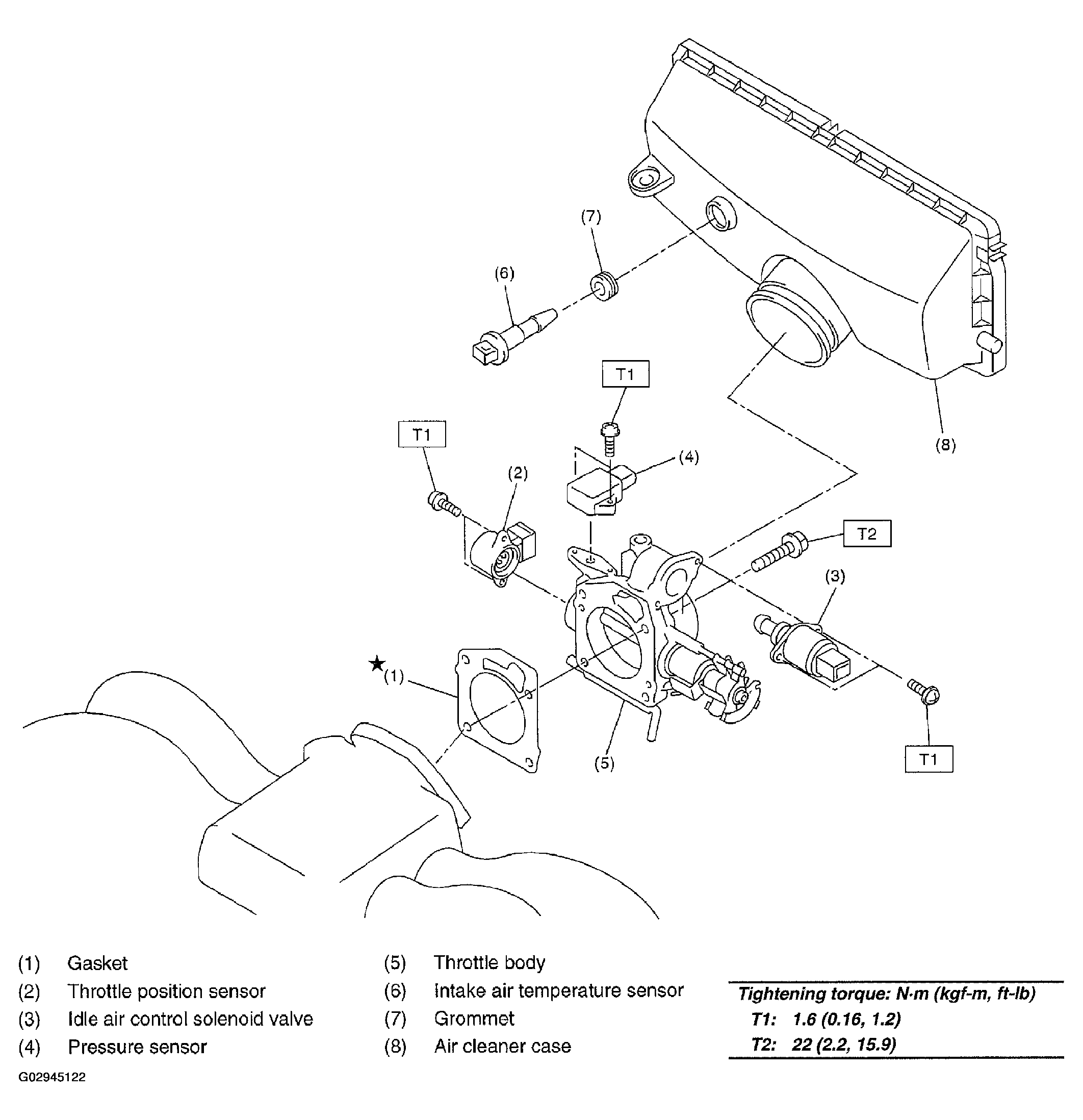
Air Intake System: Notes

Fig 1: Exploded View Of Air Intake System With Torque Specifications
G02945122Courtesy of SUBARU OF AMERICA, INC.