LEMON Manuals: Even more car manuals for everyone: 1960-2025
Home >> Subaru >> 2003 >> Forester XS, Automatic >> Repair and Diagnosis >> Transmission >> Transmission Control Systems >> A/T & M/T Control Systems >> AT Shift Lock System >> Inspection >> Select Lever Shift Lock Cannot Be Released
April 5, 2026: LEMON Manuals is launched! Read the announcement.

Select Lever Shift Lock Cannot Be Released

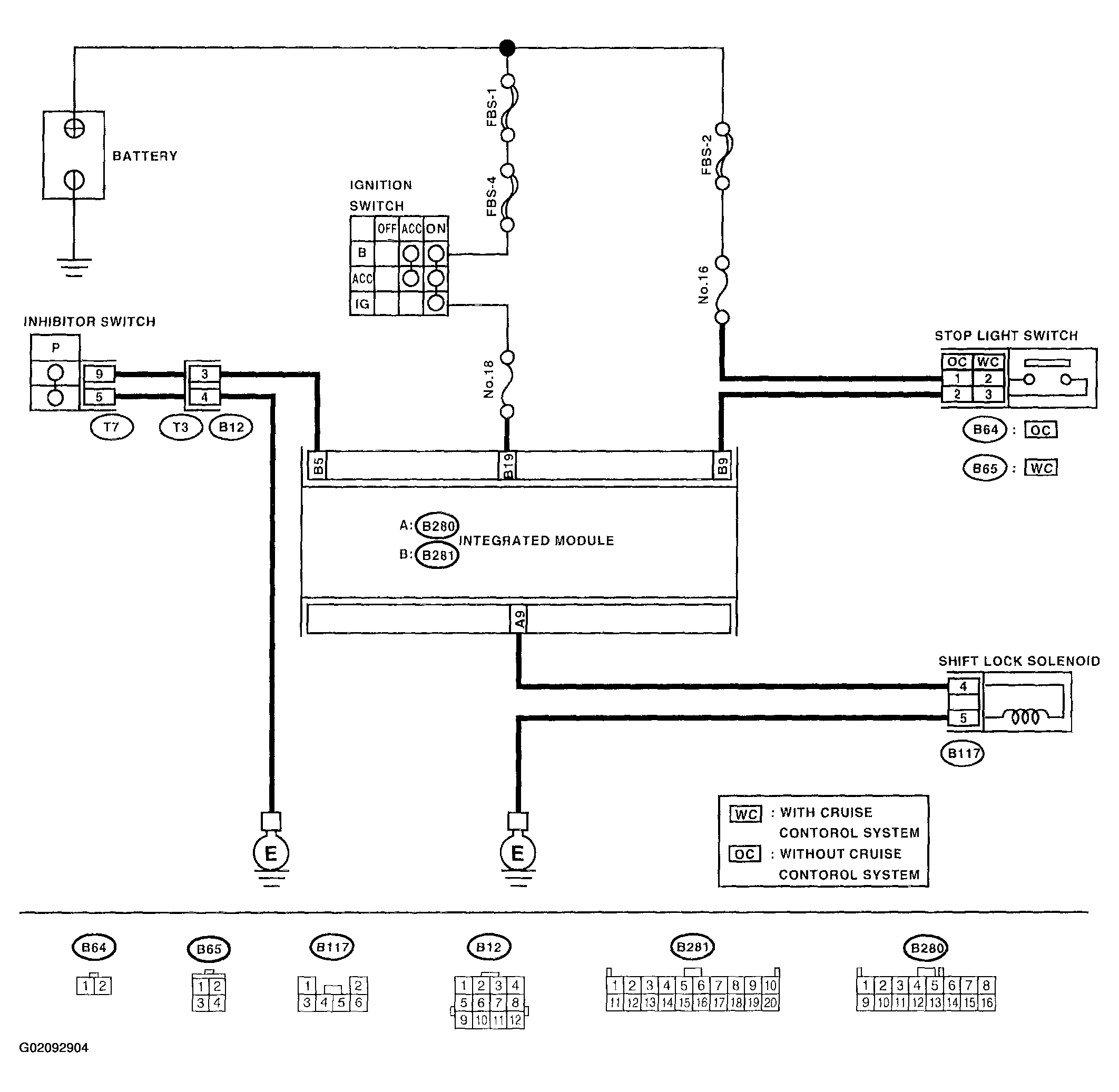
Fig 1: Select Lever Shift Lock Cannot Be Released Wiring Diagram
G02092904Courtesy of SUBARU OF AMERICA, INC.
Fig 2: Diagnostic Chart (1 Of 3)
G02092905Courtesy of SUBARU OF AMERICA, INC.
Fig 3: Diagnostic Chart (2 Of 3)
G02092906Courtesy of SUBARU OF AMERICA, INC.
Fig 4: Diagnostic Chart (3 Of 3)
G02092907Courtesy of SUBARU OF AMERICA, INC.