LEMON Manuals: Even more car manuals for everyone: 1960-2025
Home >> Subaru >> 2003 >> Outback F6-3.0L >> Repair and Diagnosis >> Diagrams >> Exploded Views >> Engine >> Engine Lubrication
April 5, 2026: LEMON Manuals is launched! Read the announcement.

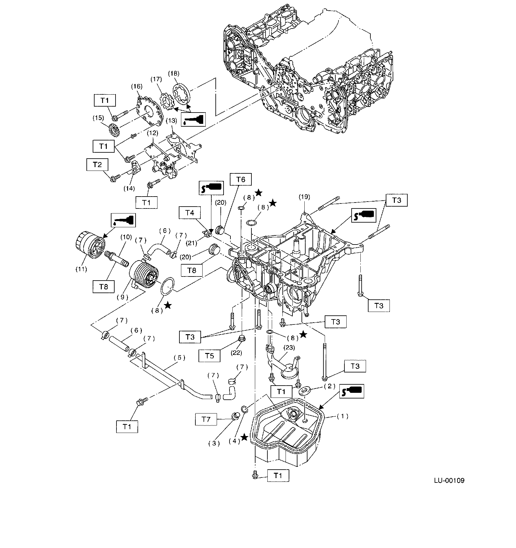
Engine Lubrication








COMPONENT