LEMON Manuals: Even more car manuals for everyone: 1960-2025
Home >> Subaru >> 2003 >> Outback F6-3.0L >> Repair and Diagnosis >> Diagrams >> Exploded Views >> Engine >> System Diagram
April 5, 2026: LEMON Manuals is launched! Read the announcement.

System Diagram

COMPONENT





V-BELT





TIMING CHAIN COVER





TIMING CHAIN





CYLINDER HEAD AND CAMSHAFT





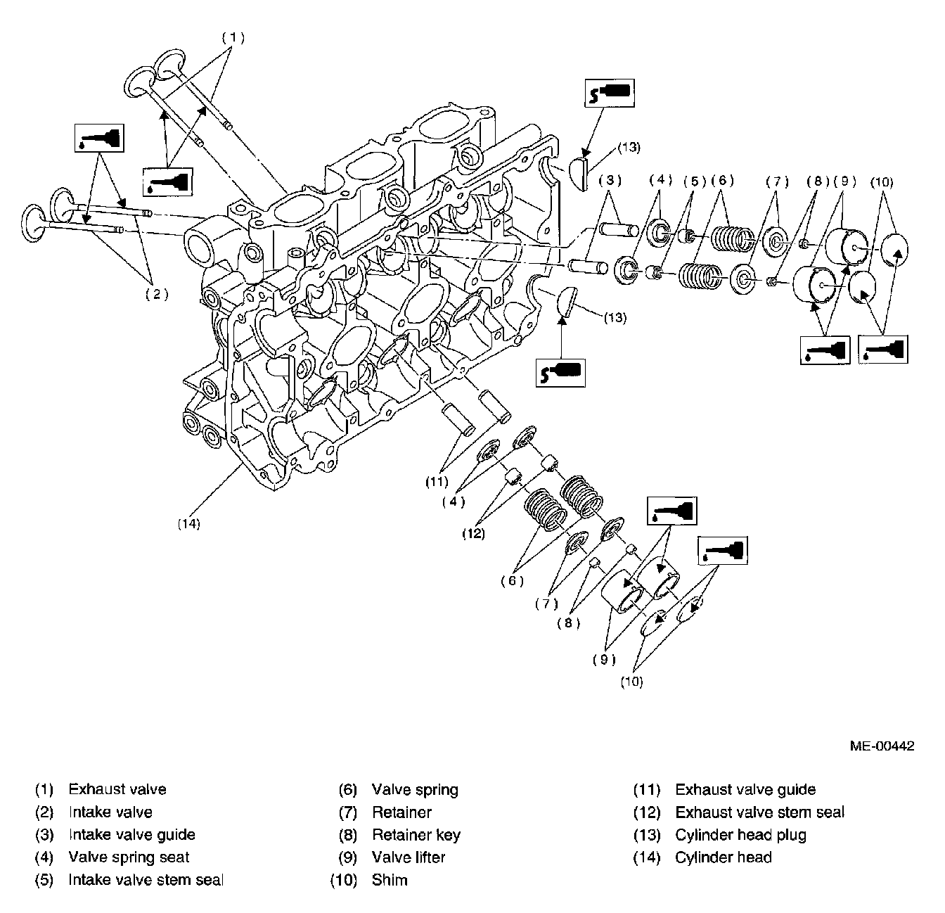
CYLINDER HEAD AND VALVE ASSEMBLY








CYLINDER BLOCK





CRANKSHAFT AND PISTON





ENGINE MOUNTING