LEMON Manuals: Even more car manuals for everyone: 1960-2025
Home >> Subaru >> 2004 >> Baja Base, Automatic >> Repair and Diagnosis >> Engine Performance >> Engine Control Systems >> Fuel Injection (Fuel Systems) (H4SO) >> General Description >> Component >> Air Intake System
April 5, 2026: LEMON Manuals is launched! Read the announcement.

Air Intake System

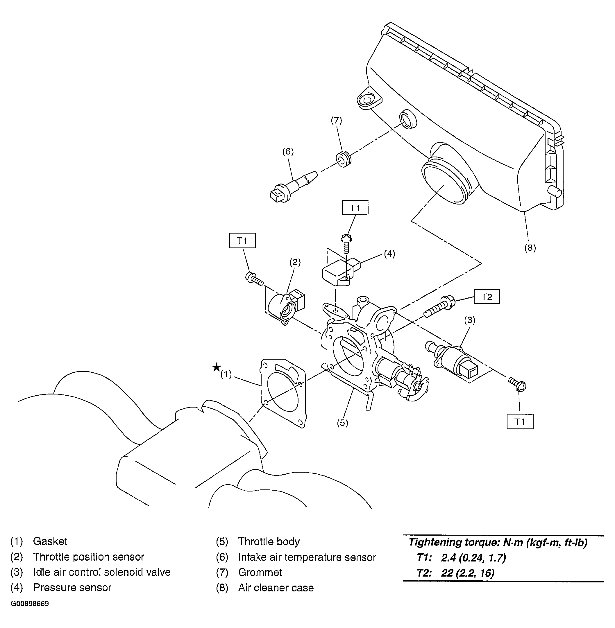
Fig 1: Exploded View Of Air Intake System With Torque Specifications
G00898669Courtesy of SUBARU OF AMERICA, INC.