LEMON Manuals: Even more car manuals for everyone: 1960-2025
Home >> Subaru >> 2004 >> Baja Base, Standard >> Repair and Diagnosis >> Engine Performance >> System >> Engine (Diagnostics) (H4SO) >> Diagnostics for Engine Starting Failure >> Control Module Power Supply And Ground Line
April 5, 2026: LEMON Manuals is launched! Read the announcement.

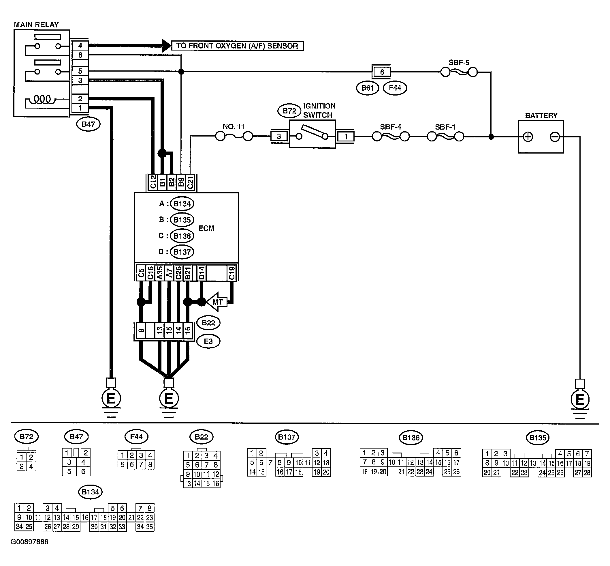
Control Module Power Supply And Ground Line

CAUTION: After repair or replacement of malfunctioning parts, conduct Clear Memory mode. Refer to  CLEAR MEMORY MODE   and Inspection Mode. Refer to  INSPECTION MODE   .