LEMON Manuals: Even more car manuals for everyone: 1960-2025
Home >> Subaru >> 2004 >> Impreza RS, Standard >> Repair and Diagnosis >> Transmission >> Transmission Control Systems >> A/T Control System & M/T Control System >> AT Shift Lock System >> Inspection >> Key Interlock Does Not Lock Or Release
April 5, 2026: LEMON Manuals is launched! Read the announcement.

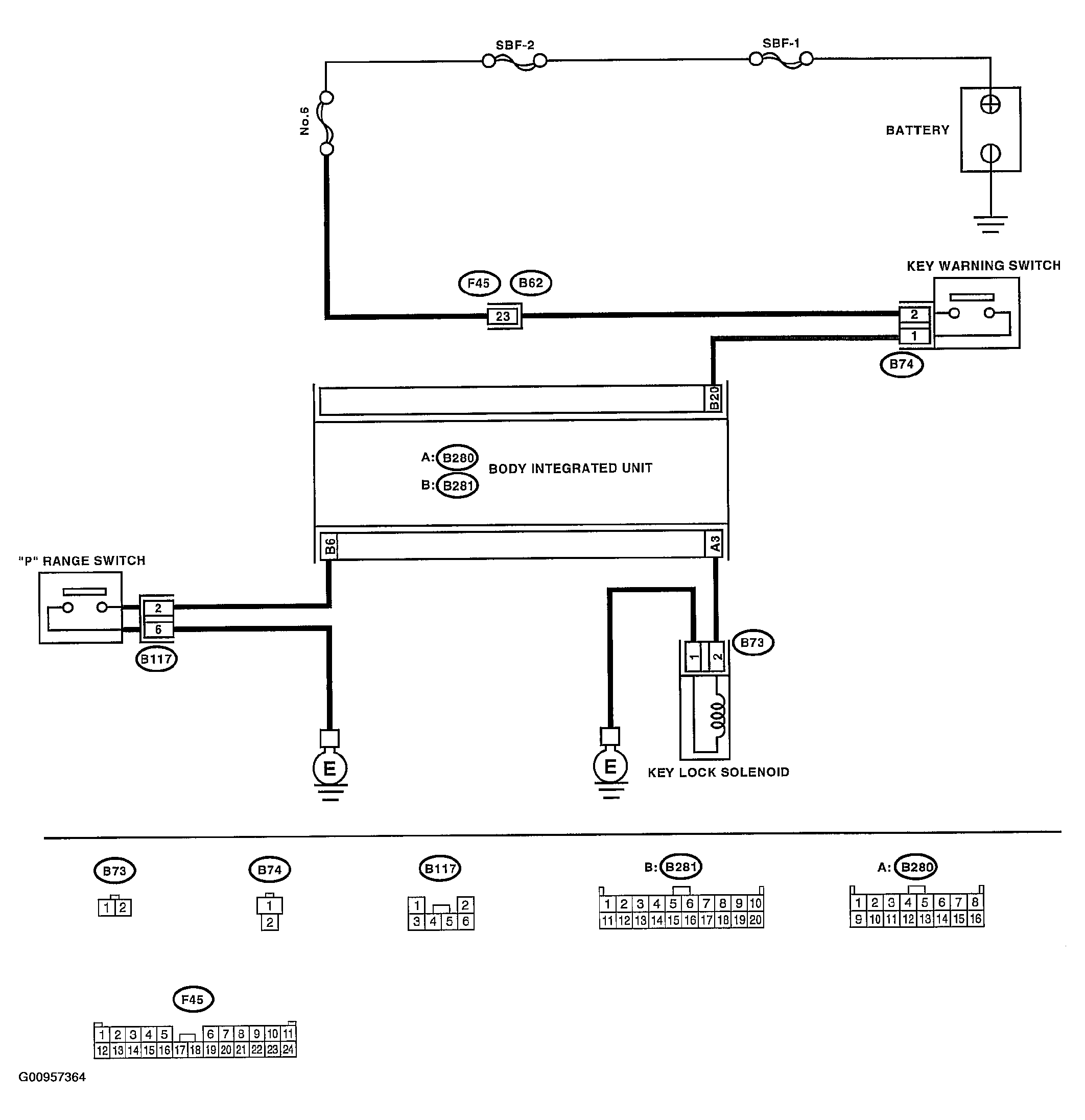
Key Interlock Does Not Lock Or Release

Fig 1: Schematic - Key Interlock Does Not Lock Or Release
G00957364Courtesy of SUBARU OF AMERICA, INC.
Fig 2: Key Interlock Does Not Lock Or Release Inspection Chart (1 Of 2)
G00957365Courtesy of SUBARU OF AMERICA, INC.
Fig 3: Key Interlock Does Not Lock Or Release Inspection Chart (2 Of 2)
G00957366Courtesy of SUBARU OF AMERICA, INC.