LEMON Manuals: Even more car manuals for everyone: 1960-2025
Home >> Subaru >> 2004 >> Outback Base, 4D Sedan >> Repair and Diagnosis >> Engine Performance >> System >> Engine (Diagnostics) (H6DO) >> Diagnostics for Engine Starting Failure >> Control Module Power Supply And Ground Line
April 5, 2026: LEMON Manuals is launched! Read the announcement.

Control Module Power Supply And Ground Line

CAUTION: After repair or replacement of faulty parts, conduct CLEAR MEMORY MODE. Refer to  CLEAR MEMORY MODE   and INSPECTION MODE. Refer to  INSPECTION MODE   .
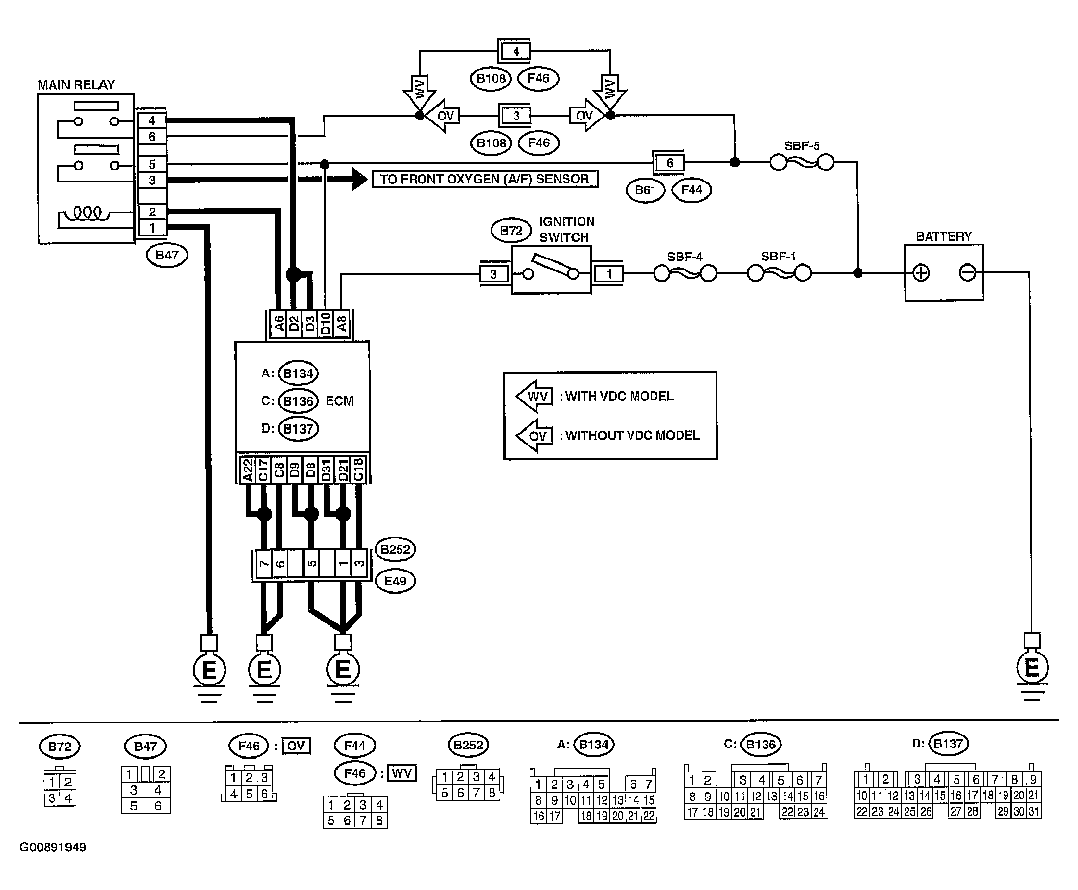
Fig 1: Control Module Power Supply & Ground Line Wiring Diagram
G00891949Courtesy of SUBARU OF AMERICA, INC.
Fig 2: Diagnostics Chart For Engine Starting Failure Procedure (1 Of 2)
G00891950Courtesy of SUBARU OF AMERICA, INC.
Fig 3: Diagnostics Chart For Engine Starting Failure Procedure (2 Of 2)
G00891951Courtesy of SUBARU OF AMERICA, INC.